Get Out and Ride | Dialed Gear. Tuned Parts. Dirt Ready. Shop Now
CLOSE
Shipping to US Flag United States
Free shipping over $79
My Ride: 2003 Honda Shadow Spirit 750 - VT750DC
BOGOS | Buy One Get One Deals Shop Now

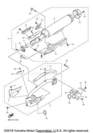
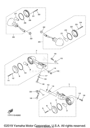
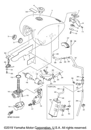
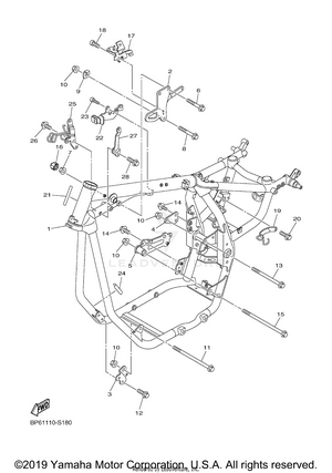
2019 Yamaha BOLT - XVS95CKB OEM Parts

Set this as my ride