Tire Rebates! Get Up To $70 Back Shop Now
CLOSE
Shipping to US Flag United States
Free shipping over $79
Moto Madness Sale | Get Up To 65% Off Parts & Gear Shop Now

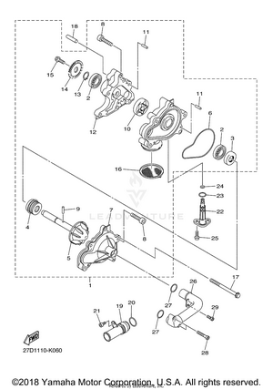
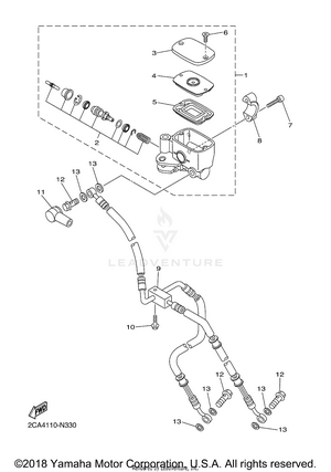
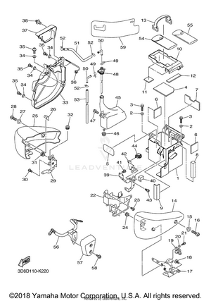
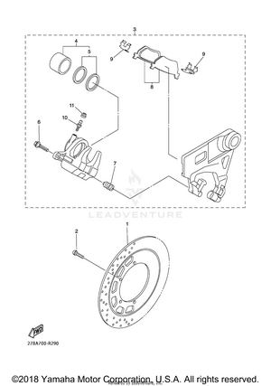
2016 Yamaha V STAR 1300 TOURER - XVS13CTGR OEM Parts

Set this as my ride