Tire Rebates! Get Up To $70 Back Shop Now
CLOSE
Shipping to US Flag United States
Free shipping over $79
My Ride: 2025 Yamaha YZF - R1
Moto Madness Sale | Get Up To 65% Off Parts & Gear Shop Now

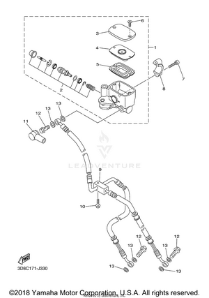
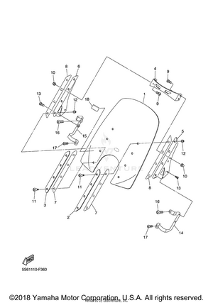
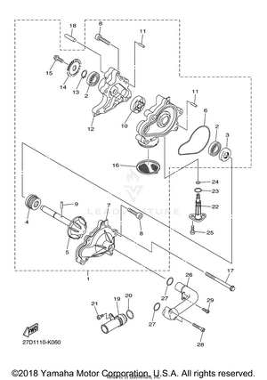
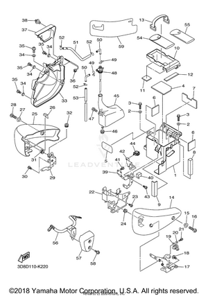
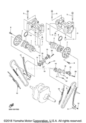
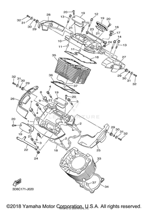
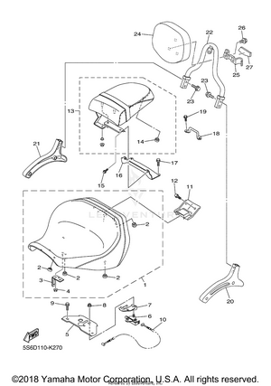
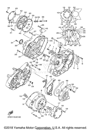
2015 Yamaha V STAR 1300 TOURER - XVS13CTF OEM Parts

Set this as my ride