BOGOS End Tomorrow! | Buy One Get One Deals Shop Now
CLOSE
Shipping to US Flag United States
Free shipping over $79
Fast Cash Week Ends Tomorrow! | Earn $25 Fast Cash When You Spend $199 Learn More

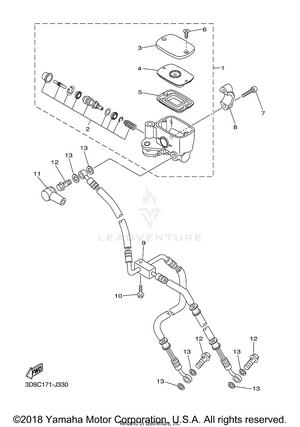
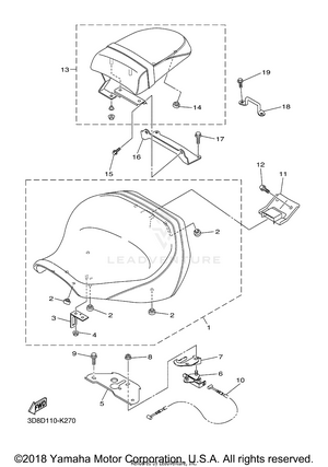
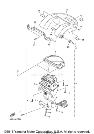
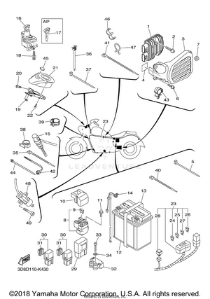
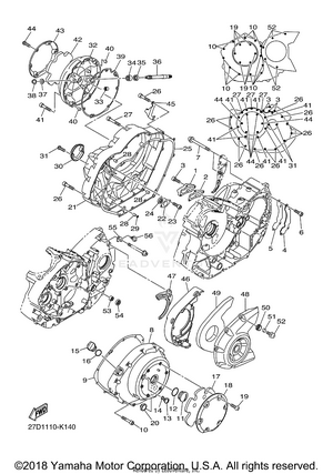
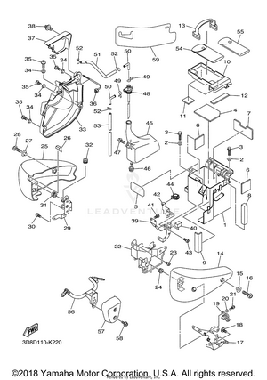
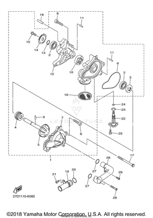
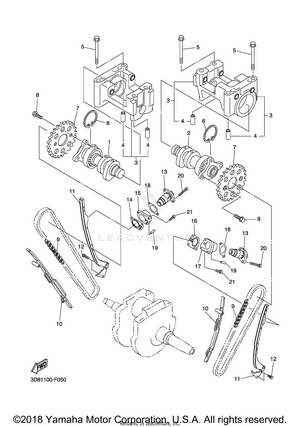
2015 Yamaha V STAR 1300 - XVS13AFCS OEM Parts

Set this as my ride