Get Out and Ride | Dialed Gear. Tuned Parts. Dirt Ready. Shop Now
CLOSE
Shipping to US Flag United States
Free shipping over $79
My Ride: 2015 KTM 500EXC
Bargain Bin | Save 40% to 90% off Some of our steepest gear and casual discounts Shop Now

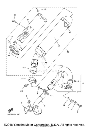
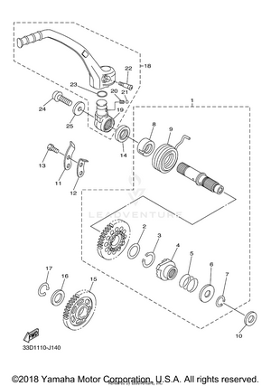
2013 Yamaha YZ450F OEM Parts

Set this as my ride