Kickstart your Riding Season with Bike Prep and Riding Gear Shop Now
CLOSE
Shipping to US Flag United States
Free shipping over $79
Moto Madness Sale | Get Up To 65% Off Parts & Gear Shop Now

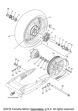
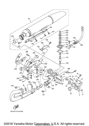
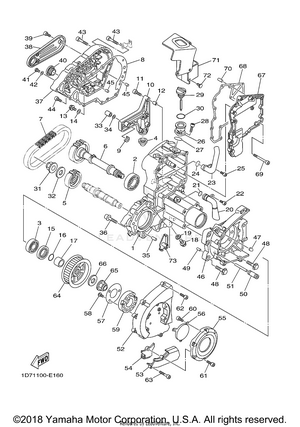
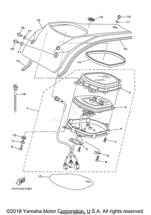
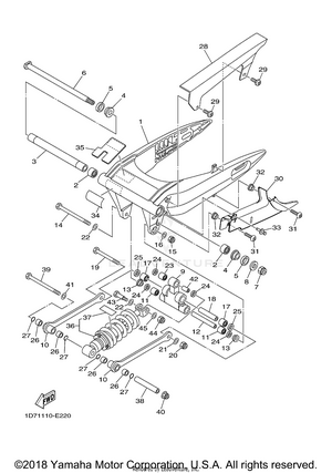
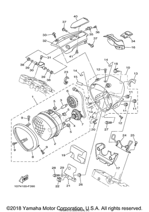
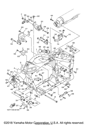
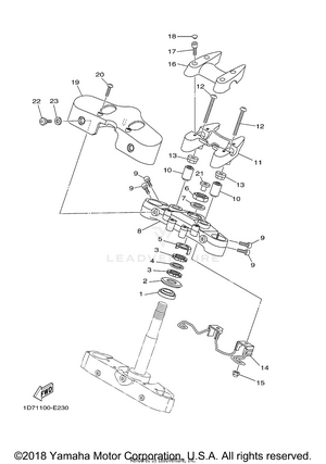
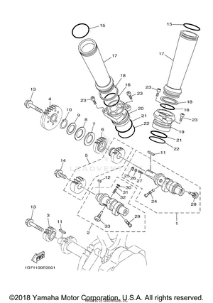
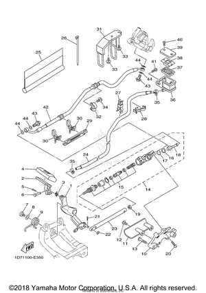
2009 Yamaha ROADLINER 1900 MIDNIGHT - XV19M OEM Parts

Set this as my ride