Get Out and Ride | Dialed Gear. Tuned Parts. Dirt Ready. Shop Now
CLOSE
Shipping to US Flag United States
Free shipping over $79
Bargain Bin | Save 40% to 90% off Some of our steepest gear and casual discounts Shop Now

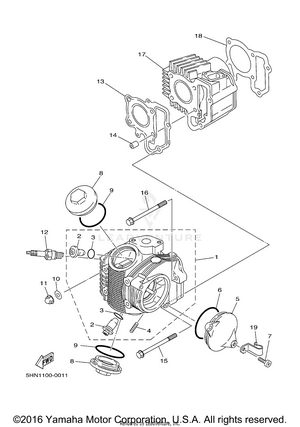
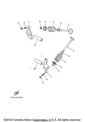
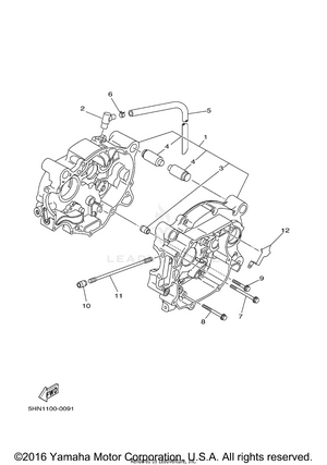
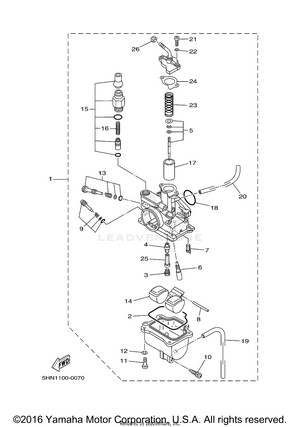
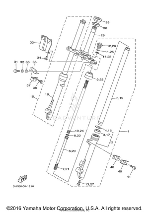
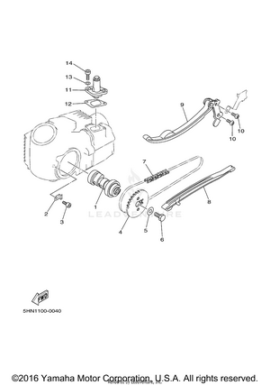
2003 Yamaha TTR90 OEM Parts

Set this as my ride