Kickstart your Riding Season with Bike Prep and Riding Gear Shop Now
CLOSE
Shipping to US Flag United States
Free shipping over $79
Moto Madness Sale | Get Up To 65% Off Parts & Gear Shop Now

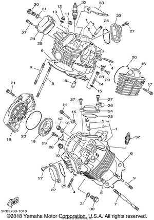
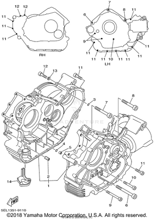
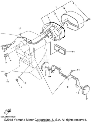
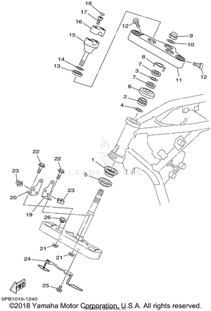
2002 Yamaha V STAR 1100 CUSTOM - XVS1100 OEM Parts

Set this as my ride