Kickstart your Riding Season with Bike Prep and Riding Gear Shop Now
CLOSE
Shipping to US Flag United States
Free shipping over $79
Moto Madness Sale | Get Up To 65% Off Parts & Gear Shop Now

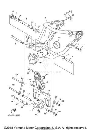
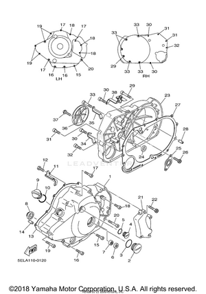
2001 Yamaha V STAR 1100 CLASSIC - XVS1100A OEM Parts

Set this as my ride