Kickstart your Riding Season with Bike Prep and Riding Gear Shop Now
CLOSE
Shipping to US Flag United States
Free shipping over $79
My Ride: 2025 Yamaha YZF - R1
Moto Madness Sale | Get Up To 65% Off Parts & Gear Shop Now

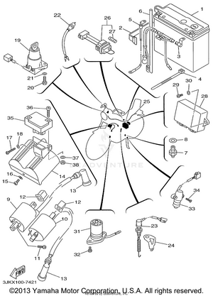
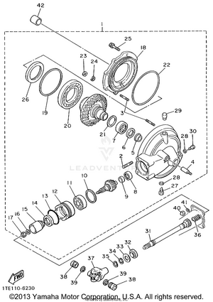
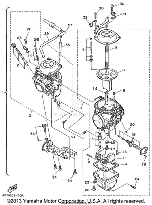
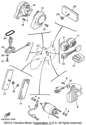
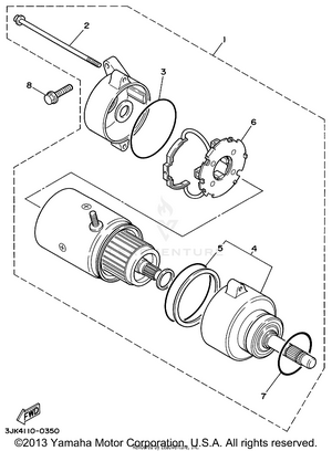
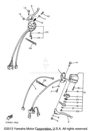
1999 Yamaha VIRAGO 1100 - XV1100 OEM Parts

Set this as my ride