BOGOS | Buy One Get One Deals Shop Now
CLOSE
Shipping to US Flag United States
Free shipping over $79
My Ride: 2015 KTM 500EXC
Fast Cash Week | Earn $25 Fast Cash When You Spend $199 Learn More

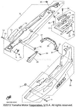
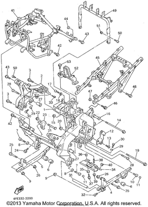
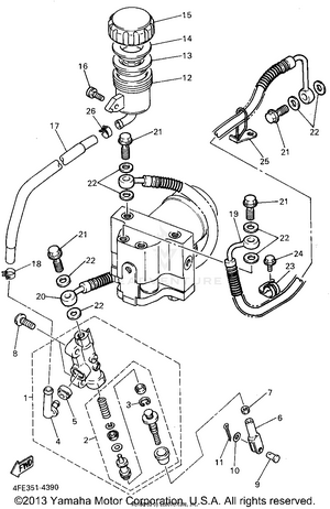
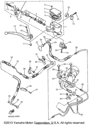
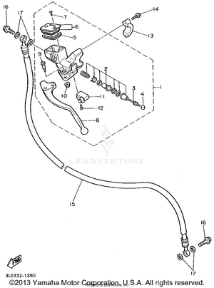
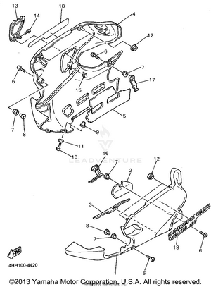
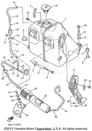
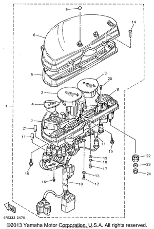
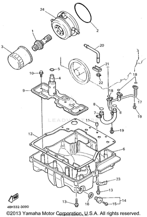
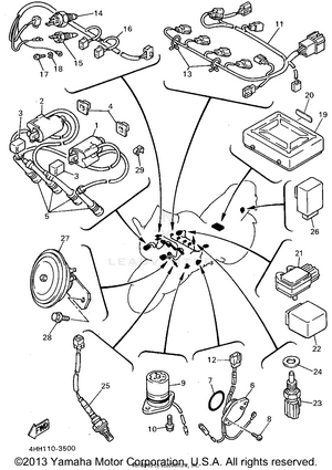
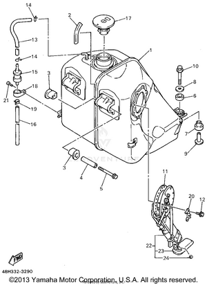
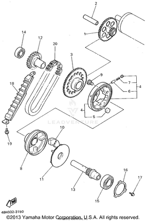
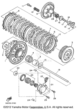
1994 Yamaha GTS1000A (CA) OEM Parts

Set this as my ride