Kickstart your Riding Season with Bike Prep and Riding Gear Shop Now
CLOSE
Shipping to US Flag United States
Free shipping over $79
My Ride: 2019 Cfmoto CFORCE 600
Moto Madness Sale | Get Up To 65% Off Parts & Gear Shop Now

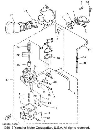
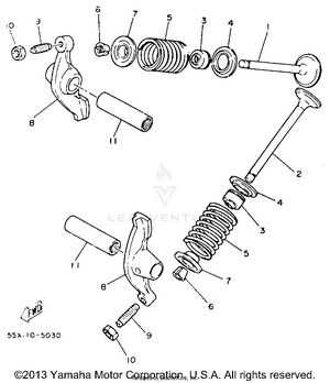
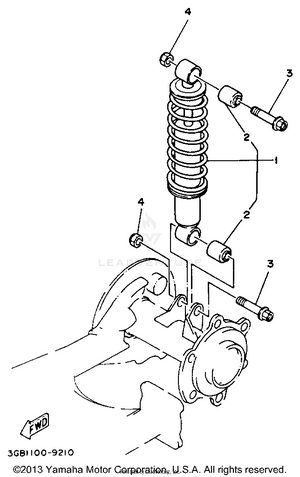
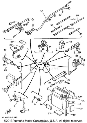
1993 Yamaha YFM 80 - BADGER 80 OEM Parts

Set this as my ride