Get Out and Ride | Dialed Gear. Tuned Parts. Dirt Ready. Shop Now
CLOSE
Shipping to US Flag United States
Free shipping over $79
Bargain Bin | Save 40% to 90% off Some of our steepest gear and casual discounts Shop Now

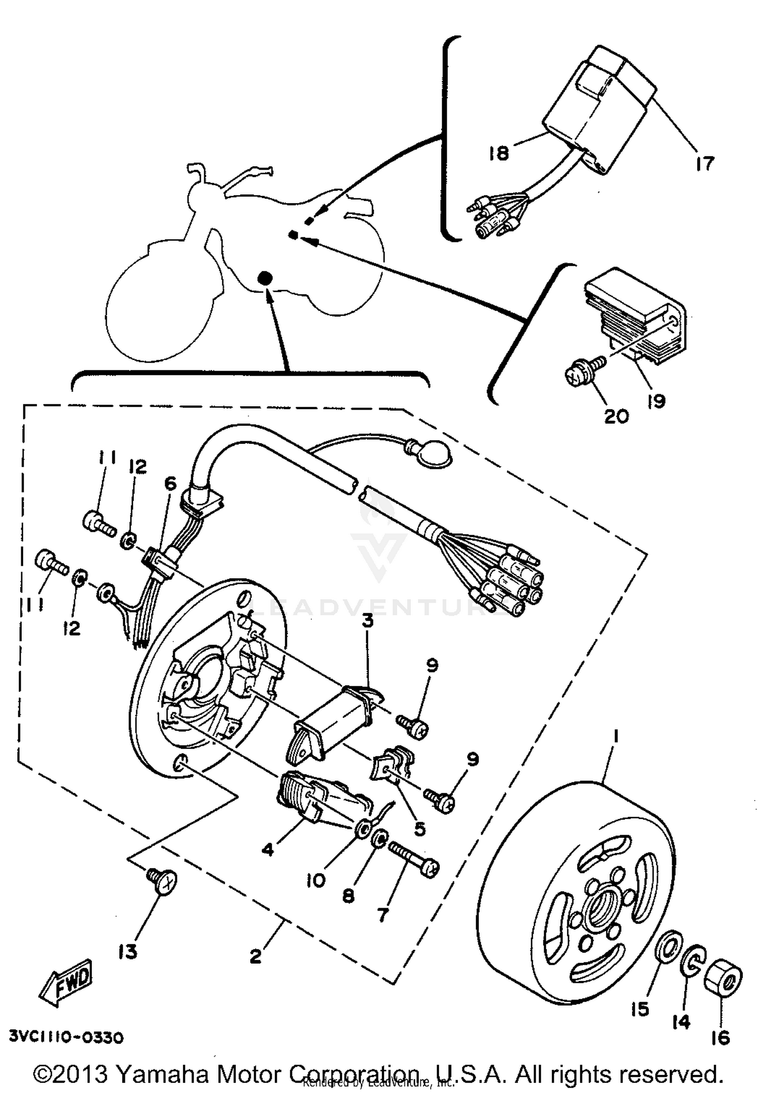
1991 Yamaha RT180 GENERATOR

Set this as my ride
GENERATOR

WARNING Cancer and Reproductive Harm www.P65Warnings.ca.gov.

  • # Part Retail Our Price
    Stock Status Suggested Quantity
  • 1
    23K-H5550-00-00 rotor assembly
    This part is currently unavailable.
  • 2
    42L-H5560-00-00 base assembly
    This part is currently unavailable.
  • 3
    4Y4-85520-M1-00 coil, charge Supersedes: 4Y4-85520-M0-00 (COIL, CHARGE) Retail: $50.99 Price: $41.30
    Expected to Ship in 5-8 Days
  • 4
    42L-H1313-00-00 coil, lighting 1
    This part is currently unavailable.
  • 5
    23L-85580-M0-00 coil, pulser
    This part is currently unavailable.
  • 6
    Expected to Ship in 5-8 Days
  • 7
    98517-04030-00 screw,pan head Supersedes: 98502-04030-09 (SCREW, PAN HEAD) Price: $6.89
    Expected to Ship in 5-8 Days
  • 8
    92990-04100-00 washer, spring Supersedes: 92903-04100-00 (WASHER, SPRING) Price: $1.66
    In Stock
  • 9
    98517-04012-00 screw,panhead Supersedes: 97607-04112-00 (SCREW, PAN HEAD) Price: $4.83
    In Stock
  • 10
    2H3-H5569-00-00 terminal, earth 2
    This part is currently unavailable.
  • 11
    98580-04008-00 screw, pan head Supersedes: 98501-04008-00 (SCREW, PAN HEAD) Price: $7.46
    In Stock
  • 12
    92990-04100-00 washer, spring Supersedes: 92903-04100-00 (WASHER, SPRING) Price: $1.66
    In Stock
  • 13
    9270N-06012-00 screw, tapping Supersedes: 97702-06012-09 (92702-06012-09)
    This part is currently unavailable.
  • 14
    92990-12100-00 washer, spring Supersedes: 92902-12100-00 (WASHER, SPRING) Price: $10.91
    Expected to Ship in 5-8 Days
  • 15
    90201-12593-00 washer, plate Retail: $10.49 Price: $9.02
    Expected to Ship in 5-8 Days
  • 16
    90170-12347-00 nut, hexagon Retail: $11.49 Price: $9.88
    Expected to Ship in 5-8 Days
  • 17
    23K-85540-M0-00 c.d.i. unit assembly
    This part is currently unavailable.
  • 18
    Expected to Ship in 5-8 Days
  • 19
    22J-81960-92-00 rectifier/reg assembly
    This part is currently unavailable.
  • 20
    97602-05316-09 screw, pan head with washer Supersedes: 97602-05316-00 (SCREW, PAN HEAD WITH WASHER) Price: $1.66
    Expected to Ship in 5-8 Days
Added to your cart
CLOSE