Kickstart your Riding Season with Bike Prep and Riding Gear Shop Now
CLOSE
Shipping to US Flag United States
Free shipping over $79
Fast Cash Week | Earn $10 When you Spend $99 + $25 When You Spend $199 Shop Now

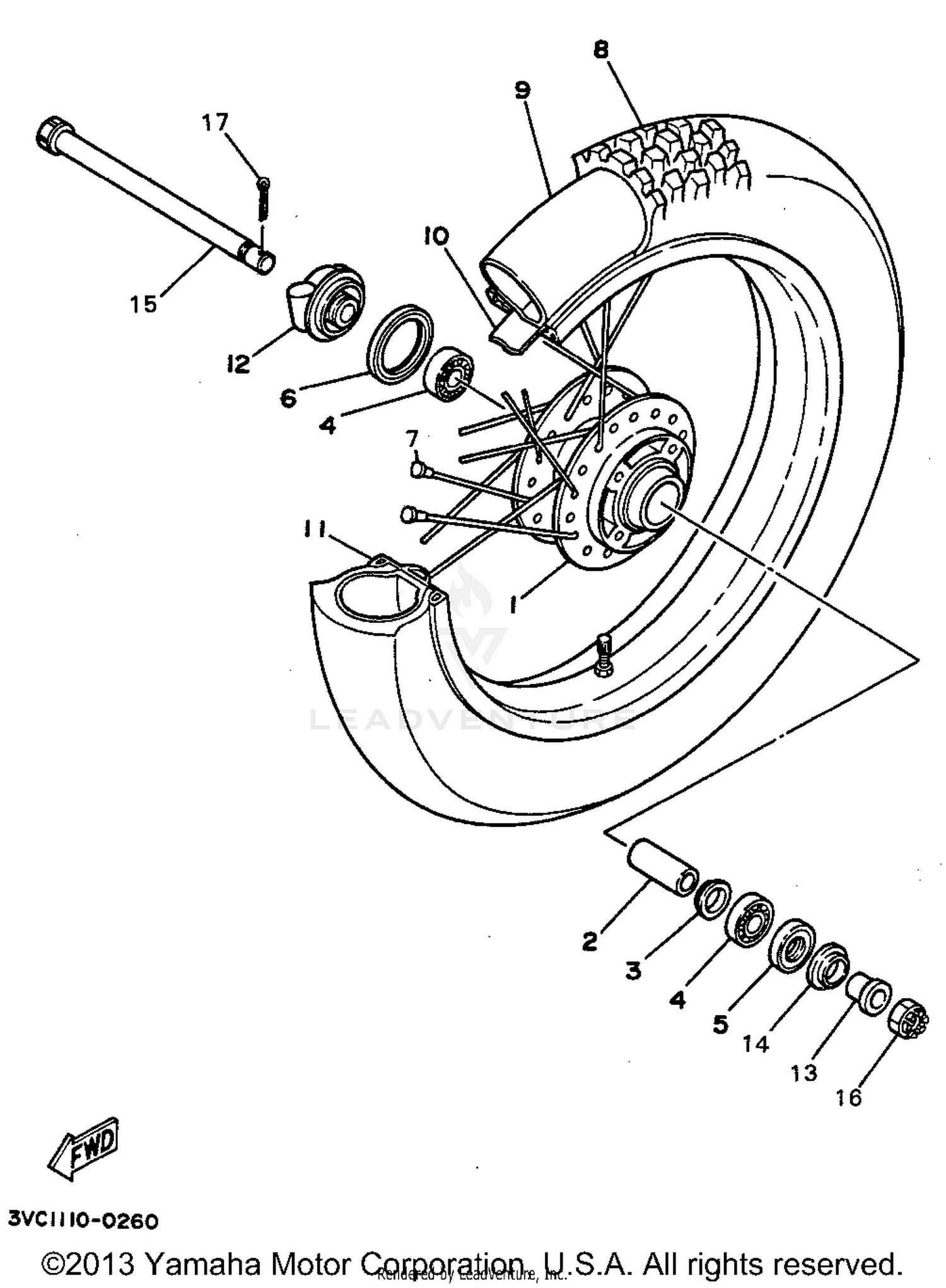
1991 Yamaha RT180 FRONT WHEEL

Set this as my ride
FRONT WHEEL

WARNING Cancer and Reproductive Harm www.P65Warnings.ca.gov.

  • # Part Retail Our Price
    Stock Status Suggested Quantity
  • 1
    2TW-F5111-00-NW hub, front LOW GLOSS BLK Retail: $189.99 Price: $151.99
    Expected to Ship in 5-8 Days
  • 2
    3V9-F5117-00-00 spacer, bearing
    This part is currently unavailable.
  • 3
    504-29531-00-00 flange, spacer
    This part is currently unavailable.
  • 4
    93306-20205-00 bearing Supersedes: 93306-20209-00 (BEARING) Retail: $42.99 Price: $36.97
    In Stock
  • 5
    Expected to Ship in 5-8 Days
  • 6
    93105-45017-00 oil seal Retail: $16.49 Price: $14.18
    Expected to Ship in 5-8 Days
  • 7
    3VC-F5104-01-00 complete front wheel spoke set Supersedes: 3VC-F5104-00-00 (3VC-F5104-01-00)
    This part is currently unavailable.
  • 8
    94108-215H9-00 tire (80/100-21-4pr) BRIDGESTONE
    This part is currently unavailable.
  • 9
    94209-21229-00 tube (80/100-21 m/c tr4) BRIDGESTONE
    This part is currently unavailable.
  • 10
    94330-21084-00 band,rim (1.60-21) BRIDGESTONE Supersedes: 94325-21117-00 (BAND, RIM (1.60-21))
    This part is currently unavailable.
  • 11
    94418-21853-00 rim(1.85-21) Supersedes: 94418-21853-09 (94418-21853-00)
    This part is currently unavailable.
  • 12
    3VC-F5191-00-00 housing, gear Retail: $84.99 Price: $68.84
    Expected to Ship in 5-8 Days
  • 13
    90387-15805-00 collar Supersedes: 90387-15805-09 (90387-15805-00) Retail: $14.99 Price: $13.69
    Expected to Ship in 5-8 Days
  • 14
    3M5-25118-00-00 cover, hub dust Supersedes: 3V9-F5118-00-00 (COVER, HUB DUST) Price: $8.61
    Expected to Ship in 5-8 Days
  • 15
    2TW-F5181-00-00 axle,wheel Supersedes: 2TW-F5181-01-00 (AXLE, WHEEL)
    This part is currently unavailable.
  • 16
    90171-14056-00 nut, castle Supersedes: 90171-14006-00 (NUT, CASTLE) Retail: $14.49 Price: $12.46
    In Stock
  • 17
    91490-30030-00 pin, cotter Supersedes: 91401-30028-00 (PIN, COTTER) Price: $9.76
    In Stock
Added to your cart
CLOSE