BOGOS End Today! | Buy One Get One Deals Shop Now
CLOSE
Shipping to US Flag United States
Free shipping over $79
My Ride: 2014 Can-Am OUTLANDER 500
Fast Cash Week Ends Today! | Earn $25 Fast Cash When You Spend $199 Learn More

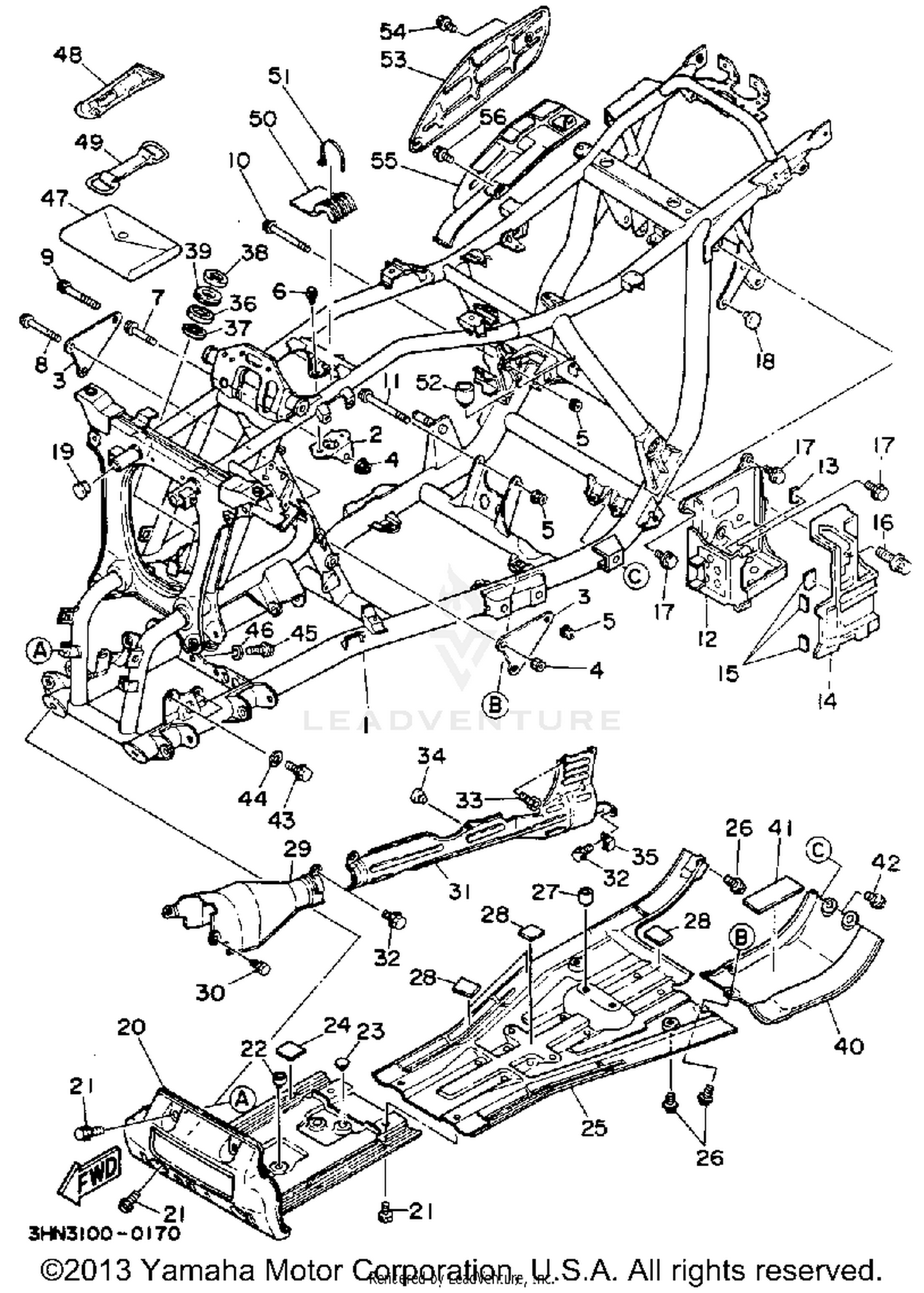
1990 Yamaha BIGBEAR 350 4X4 FRAME

Set this as my ride
FRAME

WARNING Cancer and Reproductive Harm www.P65Warnings.ca.gov.

Added to your cart
CLOSE