Kickstart your Riding Season with Bike Prep and Riding Gear Shop Now
CLOSE
Shipping to US Flag United States
Free shipping over $79
My Ride: 2012 Can-Am OUTLANDER MAX 650 XT
Moto Madness Sale | Get Up To 65% Off Parts & Gear Shop Now

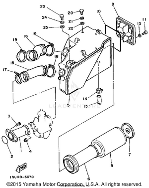
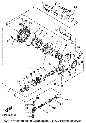
1989 Yamaha YFM200 MOTO-4 OEM Parts

Set this as my ride