Renthal Deal! Up To 10% Off Shop Now
CLOSE
Shipping to US Flag United States
Free shipping over $79
Moto Madness Sale | Get Up To 65% Off Parts & Gear Shop Now

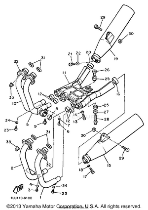
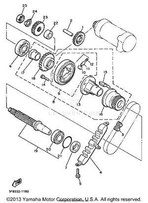
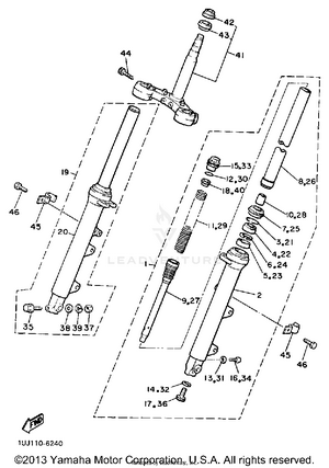
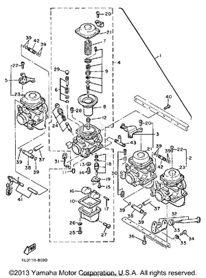
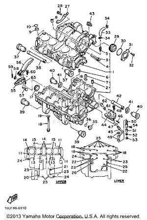
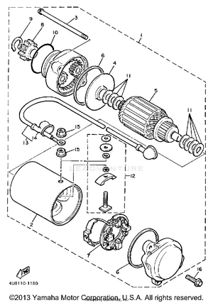
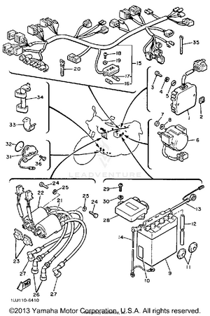
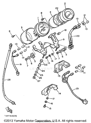
1987 Yamaha YX600T (CA) OEM Parts

Set this as my ride