Renthal Deal! Up To 10% Off Shop Now
CLOSE
Shipping to US Flag United States
Free shipping over $79
Moto Madness Sale | Get Up To 65% Off Parts & Gear Shop Now

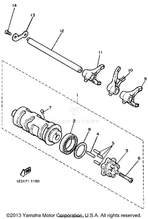
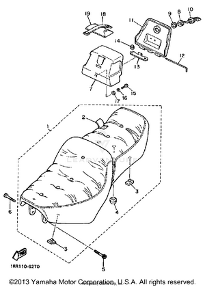
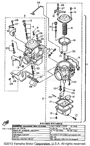
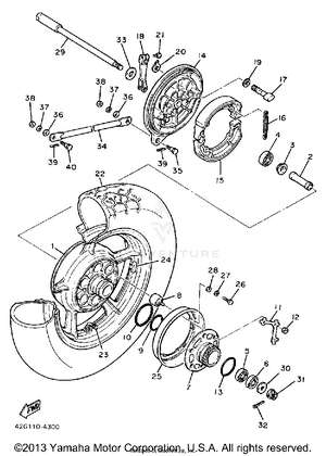
1987 Yamaha VIRAGO 1100 - XV1100 OEM Parts

Set this as my ride