Kickstart your Riding Season with Bike Prep and Riding Gear Shop Now
CLOSE
Shipping to US Flag United States
Free shipping over $79
Moto Madness Sale | Get Up To 65% Off Parts & Gear Shop Now

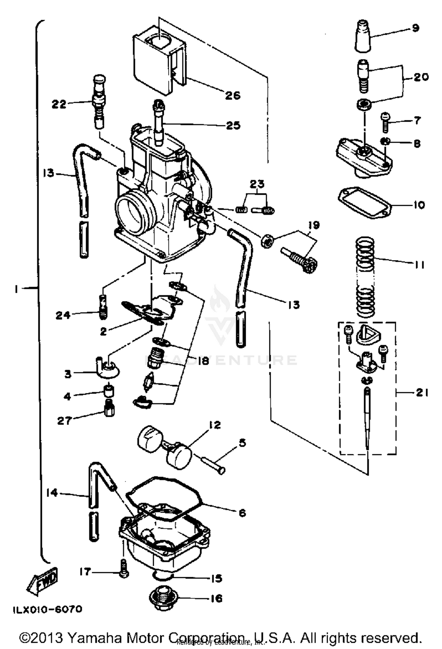
1986 Yamaha YZ125 CARBURETOR

Set this as my ride
CARBURETOR

WARNING Cancer and Reproductive Harm www.P65Warnings.ca.gov.

  • # Part Retail Our Price
    Stock Status Suggested Quantity
  • 1
    1LX-14101-10-00 carburetor assembly 1
    This part is currently unavailable.
  • 2
    1LX-14146-00-00 plate
    This part is currently unavailable.
  • 3
    1LX-14153-10-00 washer, main jet
    This part is currently unavailable.
  • 4
    509-14145-00-00 setter, needle jet
    This part is currently unavailable.
  • 5
    Expected to Ship in 5-8 Days
  • 6
    1LX-14147-00-00 o-ring
    This part is currently unavailable.
  • 7
    98580-04014-00 screw, pan head Supersedes: 97601-04114-00 (SCREW, PAN HEAD) Price: $3.80
    In Stock
  • 8
    92990-04600-00 washer, plate Supersedes: 92902-04600-00 (WASHER, PLATE) Price: $1.73
    In Stock
  • 9
    Expected to Ship in 5-8 Days
  • 10
    1LX-14198-00-00 gasket
    This part is currently unavailable.
  • 11
    1LK-14131-00-00 spring,thrtl valve Supersedes: 1LX-14131-00-00 (SPRING, THROTTLE)
    This part is currently unavailable.
  • 12
    1LX-14185-00-00 float Retail: $37.99 Price: $32.67
    Expected to Ship in 5-8 Days
  • 13
    89A-14987-00-00 hose Supersedes: 310-14197-00-00 (PIPE) Retail: $17.99 Price: $15.47
    In Stock
  • 14
    88R-14987-00-00 hose Supersedes: 3Y3-14196-00-00 (PIPE, OVER FLOW 1)
    This part is currently unavailable.
  • 15
    558-14147-00-00 o-ring Retail: $10.99 Price: $9.45
    Expected to Ship in 5-8 Days
  • 16
    500-14115-00-00 plug, screw Retail: $32.99 Price: $28.37
    In Stock
  • 17
    98517-04012-00 screw,panhead Supersedes: 97607-04112-00 (SCREW, PAN HEAD) Price: $4.83
    In Stock
  • 18
    24X-14107-33-00 needle valve set (#3.3) Retail: $55.99 Price: $45.35
    Expected to Ship in 5-8 Days
  • 19
    40T-14103-00-00 throttle screw set Retail: $18.99 Price: $16.33
    Expected to Ship in 5-8 Days
  • 20
    1LX-14106-00-00 cable adjusting screw st
    This part is currently unavailable.
  • 21
    1LX-1490J-00-00 needle set
    This part is currently unavailable.
  • 22
    24X-1410A-00-00 starter set
    This part is currently unavailable.
  • 23
    1LX-14104-00-00 air screw set
    This part is currently unavailable.
  • 24
    193-14142-40-A1 jet, pilot(#40) UR STD
    This part is currently unavailable.
  • 193-14142-35-00 jet, pilot 35 AP Retail: $10.99 Price: $9.45
    Expected to Ship in 5-8 Days
  • 193-14142-45-A1 jet, pilot (#45) AP
    This part is currently unavailable.
  • 1LX-14141-48-00 nozzle, main (p-8) Retail: $53.99 Price: $43.73
    Expected to Ship in 5-8 Days
  • 1LX-14141-46-00 nozzle, main p-6 (p-6) Retail: $28.99 Price: $24.93
    Expected to Ship in 5-8 Days
  • 1LX-14112-40-00 valve throttle 1 (4.0)
    This part is currently unavailable.
  • 1LX-14112-45-00 valve, throttle 4.5
    This part is currently unavailable.
  • 137-14143-58-A1 jet, main (#290) AP Supersedes: 137-14143-58-00 (JET, MAIN (290)) Retail: $13.99 Price: $12.03
    Expected to Ship in 5-8 Days
  • 137-14143-50-A1 jet, main (#250) AP Retail: $12.99 Price: $11.17
    Expected to Ship in 5-8 Days
  • 137-14143-54-A1 jet, main (#270) UR STD Retail: $12.99 Price: $11.17
    Expected to Ship in 5-8 Days
  • 137-14143-56-A0 jet, main (#280) AP Retail: $12.99 Price: $11.17
    Expected to Ship in 5-8 Days
  • 25
    1LX-14141-50-00 nozzle, main q-ok (q-0)
    This part is currently unavailable.
  • 26
    1LX-14112-35-00 valve, throttle 3.5 (3.5) Retail: $97.99 Price: $79.37
    Expected to Ship in 5-8 Days
  • 27
    137-14143-52-00 jet, main (#260) AP Retail: $10.99 Price: $9.45
    Expected to Ship in 5-8 Days
Added to your cart
CLOSE