Kickstart your Riding Season with Bike Prep and Riding Gear Shop Now
CLOSE
Shipping to US Flag United States
Free shipping over $79
Moto Madness Sale | Get Up To 65% Off Parts & Gear Shop Now

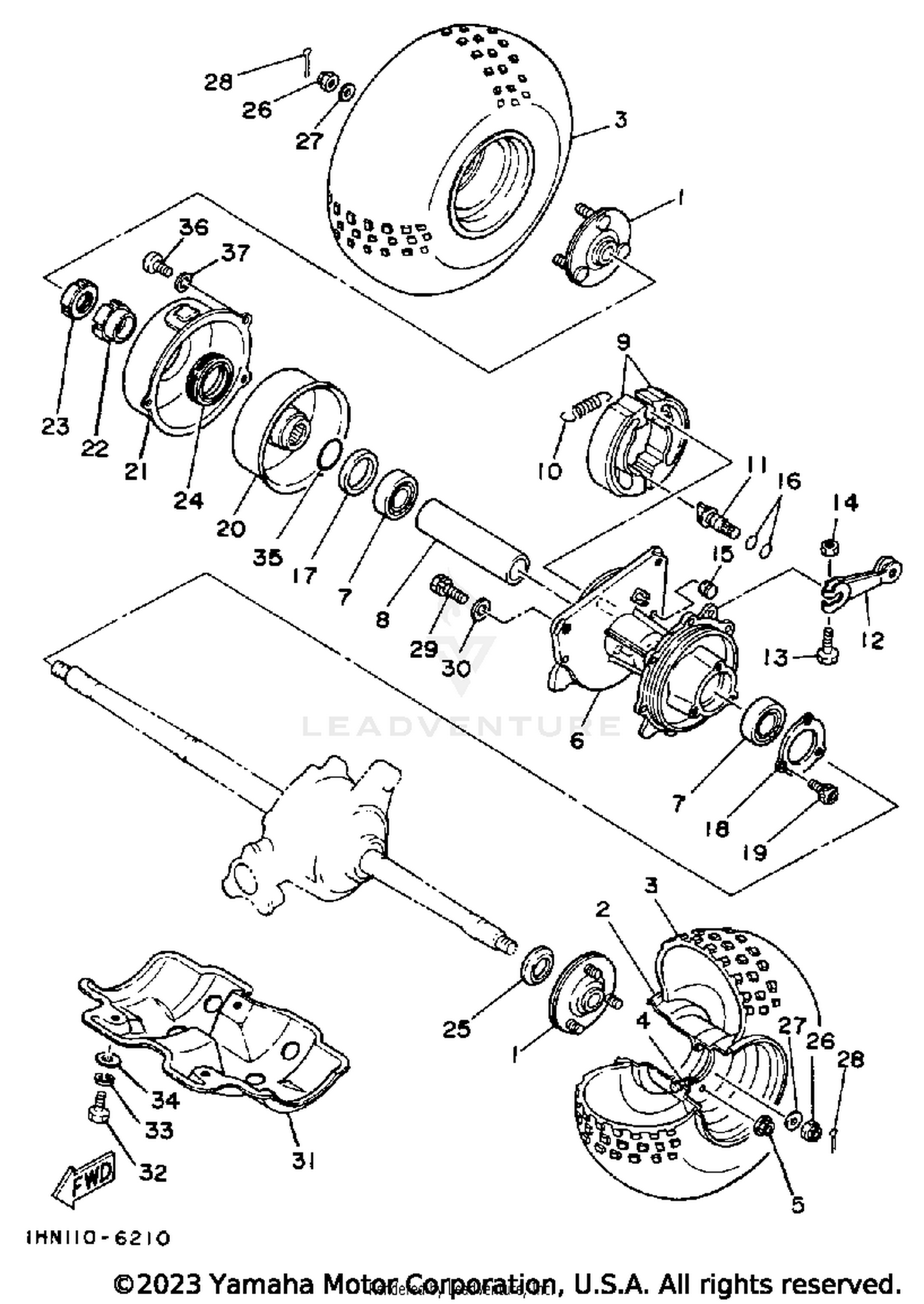
1986 Yamaha YF60S REAR WHEEL

Set this as my ride
REAR WHEEL

WARNING Cancer and Reproductive Harm www.P65Warnings.ca.gov.

  • # Part Retail Our Price
    Stock Status Suggested Quantity
  • 1
    36R-25383-00-00 collar, wheel
    This part is currently unavailable.
  • 2
    3NJ-25180-00-35 wheel, front SILVER Supersedes: 36R-25180-01-35 (WHEEL, FRONT (36R-25180-00-35))
    This part is currently unavailable.
  • 3
    94107-063E8-00 at15x7-6 dun kt465a INOUE Supersedes: 94107-063E9-00 (IRC 15X7-6 EL-3 (15X7.00-6))
    This part is currently unavailable.
  • 4
    93900-00030-00 valve, rim (tr412) Supersedes: 93900-00022-00 (VALVE, RIM (TR412))
    This part is currently unavailable.
  • 5
    90179-08491-00 nut, specl shape Supersedes: 90179-08299-00 (NUT, FLANGE) Price: $3.22
    Expected to Ship in 5-8 Days
  • 6
    36R-25311-00-00 hub, rear Retail: $136.99 Price: $109.59
    Expected to Ship in 5-8 Days
  • 7
    93306-00519-00 bearing Supersedes: 93306-00518-00 (BEARING) Retail: $39.99 Price: $34.39
    In Stock
  • 8
    90560-25307-00 spacer, bearing Retail: $15.99 Price: $13.75
    Expected to Ship in 5-8 Days
  • 9
    36R-W2536-00-00 brakeshoe set-2pcs
    This part is currently unavailable.
  • 10
    Expected to Ship in 5-8 Days
  • 11
    5G3-25351-02-00 camshaft Retail: $20.99 Price: $18.05
    Expected to Ship in 5-8 Days
  • 12
    36R-25355-00-00 lever, camshaft
    This part is currently unavailable.
  • 13
    90101-06278-00 bolt Supersedes: 90101-06765-00 (BOLT) Price: $2.99
    In Stock
  • 14
    95380-06600-00 nut, hexagon Supersedes: 95301-06600-00 (NUT) Price: $5.52
    In Stock
  • 15
    90480-10068-00 grommet Supersedes: 90480-08608-00 (GROMMET) Price: $10.91
    Expected to Ship in 5-8 Days
  • 16
    93210-12790-00 o-ring Supersedes: 93210-12327-00 (O-RING) Price: $9.76
    In Stock
  • 17
    93102-35318-00 oil seal Retail: $28.99 Price: $24.93
    Expected to Ship in 5-8 Days
  • 18
    36R-46114-00-00 plate, cover
    This part is currently unavailable.
  • 19
    91314-06016-00 bolt, hexagon socket head Supersedes: 91311-06016-00 (BOLT, HEXAGON SOCKET HEAD) Price: $10.91
    Expected to Ship in 5-8 Days
  • 20
    36R-2531E-00-00 drum brake Retail: $132.99 Price: $106.39
    Expected to Ship in 5-8 Days
  • 21
    36R-25715-01-00 cover 1
    This part is currently unavailable.
  • 22
    90179-23502-00 nut, spec''l shape
    This part is currently unavailable.
  • 23
    90179-23503-00 nut, spec''l shape
    This part is currently unavailable.
  • 24
    93102-35191-00 oil seal Supersedes: 93102-35349-00 (OIL SEAL) Retail: $20.99 Price: $18.05
    Expected to Ship in 5-8 Days
  • 25
    Expected to Ship in 5-8 Days
  • 26
    90171-12039-00 nut, castle Retail: $10.49 Price: $9.02
    Expected to Ship in 5-8 Days
  • 27
    90201-126A7-00 washer, plate Retail: $10.49 Price: $9.02
    Expected to Ship in 5-8 Days
  • 28
    91490-25030-00 pin. cotter Supersedes: 91401-25033-00 (PIN, COTTER) Price: $4.72
    In Stock
  • 29
    Expected to Ship in 5-8 Days
  • 30
    90201-104G0-00 washer, plate Retail: $10.49 Price: $9.02
    Expected to Ship in 5-8 Days
  • 31
    36R-2219X-00-00 cover Retail: $63.99 Price: $51.83
    Expected to Ship in 5-8 Days
  • 32
    97D95-06016-00 bolt, hexagon deep r Supersedes: 97024-06016-00 (BOLT, HEXAGON DEEP R) Price: $3.17
    Expected to Ship in 5-8 Days
  • 33
    92995-06100-00 washer, pan head Supersedes: 92990-06100-00 (WASHER, WAVE) Price: $3.97
    Expected to Ship in 5-8 Days
  • 34
    90201-061A5-00 washer, plate Supersedes: 90201-05036-00 (WASHER, PLATE) Price: $9.76
    In Stock
  • 35
    93210-25642-00 o-ring Retail: $11.49 Price: $9.88
    Expected to Ship in 5-8 Days
  • 36
    97885-06012-00 screw, pan head Supersedes: 92580-06012-00 (SCREW, PAN HEAD)
    This part is currently unavailable.
  • 37
    92995-06100-00 washer, pan head Supersedes: 92990-06100-00 (WASHER, WAVE) Price: $3.97
    Expected to Ship in 5-8 Days
Added to your cart
CLOSE