Get Out and Ride | Dialed Gear. Tuned Parts. Dirt Ready. Shop Now
CLOSE
Shipping to US Flag United States
Free shipping over $79
BOGOS | Buy One Get One Deals Shop Now

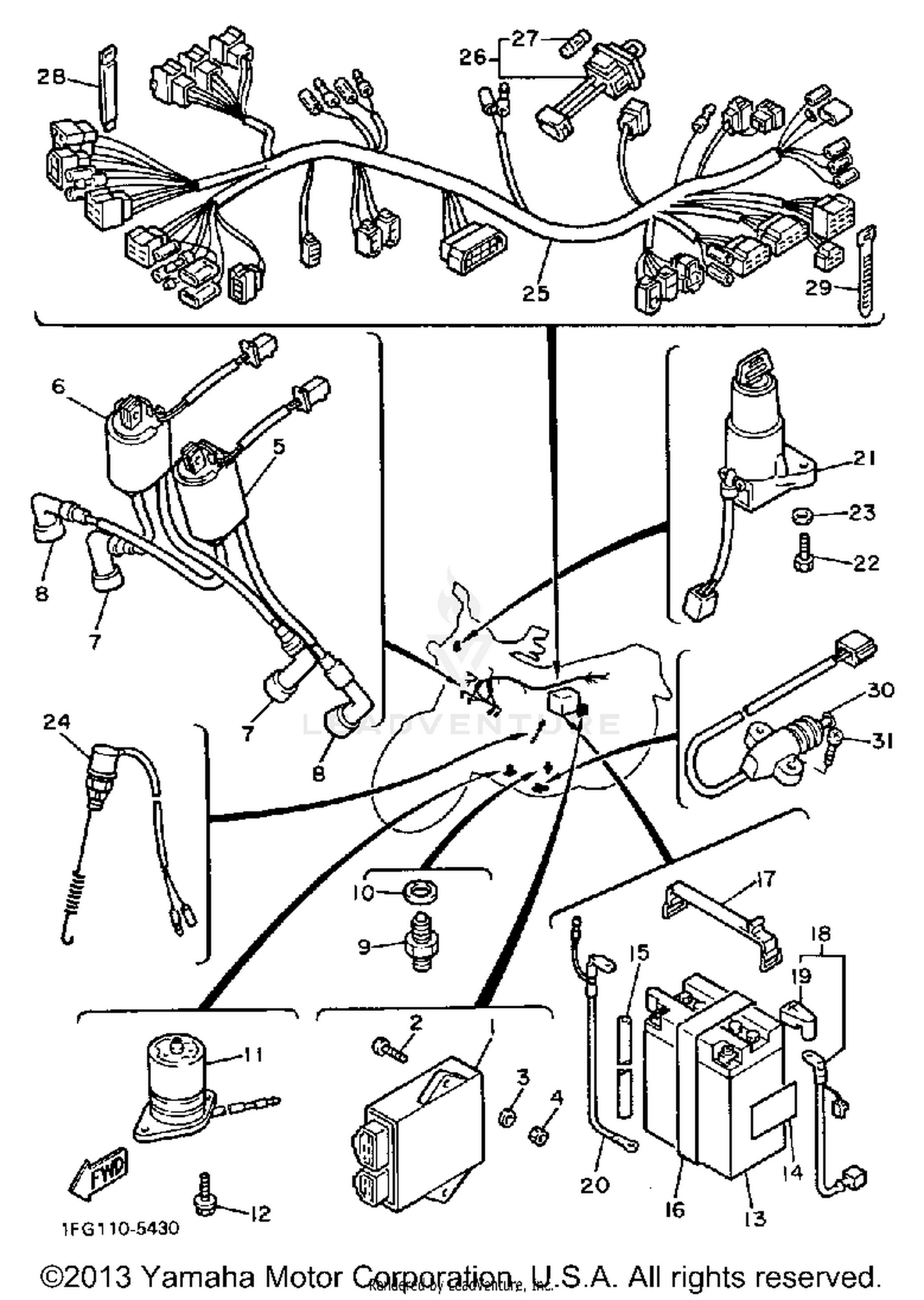
1985 Yamaha XJ700 ELECTRICAL 2

Set this as my ride
ELECTRICAL 2

WARNING Cancer and Reproductive Harm www.P65Warnings.ca.gov.

  • # Part Retail Our Price
    Stock Status Suggested Quantity
  • 1
    1FG-82305-10-00 ignitor unit assembly 1 Retail: $498.99 Price: $394.20
    Expected to Ship in 5-8 Days
  • 2
    92503-06016-00 unavailable in price book (9250
    This part is currently unavailable.
  • 3
    92990-06600-00 washer, plate Supersedes: 92903-06600-00 (WASHER, PLATE) Price: $3.28
    Expected to Ship in 5-8 Days
  • 4
    95380-06700-00 nut Supersedes: 95302-06700-00 (NUT) Price: $10.91
    Expected to Ship in 5-8 Days
  • 5
    1AA-82310-09-00 ignition coil asy Supersedes: 1FG-82310-10-00 (IGNITION COIL ASSEMBLY)
    This part is currently unavailable.
  • 6
    1AA-82310-09-00 ignition coil asy Supersedes: 1FG-82320-10-00 (IGNITION COIL ASSEMBLY)
    This part is currently unavailable.
  • 7
    1J7-82370-00-00 plug cap assembly Retail: $105.99 Price: $84.79
    Expected to Ship in 5-8 Days
  • 8
    4BP-82370-01-00 plug cap assy Supersedes: 256-82370-00-00 (PLUG CAP ASSEMBLY) Retail: $38.99 Price: $33.53
    In Stock
  • 9
    4GY-82540-10-00 neutral switch assy Supersedes: 2H7-82540-00-00 (NEUTRAL SWITCH ASSY) Retail: $41.99 Price: $36.11
    In Stock
  • 10
    90430-10171-00 gasket Supersedes: 90430-10031-00 (GASKET) Price: $3.97
    In Stock
  • 11
    4H7-85720-02-00 oil level gauge assy Supersedes: 4H7-85720-01-00 (OIL LEVEL GAUGE ASSEMBLY) Retail: $178.99 Price: $143.19
    Expected to Ship in 5-8 Days
  • 12
    90105-06696-00 bolt, flange Supersedes: 95026-06016-00 (BOLT, WASHER BASED) Retail: $10.49 Price: $9.02
    In Stock
  • 13
    YB1-4LA20-00-00 yb14la2 yuasa batte Supersedes: BTY-YB14L-A2-00 (BATTERY ASSEMBLY (FB14L-A2) (44)
    This part is currently unavailable.
  • 14
    40A-82141-G0-00 label, battery Supersedes: 118-82141-09-00 (LABEL, BATTERY)
    This part is currently unavailable.
  • 15
    90445-084J0-00 pipe Supersedes: 90445-084G9-00 (HOSE (L500)) Retail: $20.99 Price: $18.05
    Expected to Ship in 5-8 Days
  • 16
    1UA-82124-00-00 band, battery
    This part is currently unavailable.
  • 17
    4J2-82131-01-00 band, battery Retail: $32.99 Price: $28.37
    In Stock
  • 18
    1TX-82115-00-00 wire, plus lead Retail: $81.99 Price: $66.41
    Expected to Ship in 5-8 Days
  • 19
    4X7-82119-00-00 cover, lead wire Retail: $21.99 Price: $18.91
    Expected to Ship in 5-8 Days
  • 20
    1AA-82116-00-00 wire, minus lead Retail: $32.99 Price: $28.37
    Expected to Ship in 5-8 Days
  • 21
    42X-82501-50-00 main switch steering lock
    This part is currently unavailable.
  • 22
    97D95-06016-00 bolt, hexagon deep r Supersedes: 97024-06016-00 (BOLT, HEXAGON DEEP R) Price: $3.17
    Expected to Ship in 5-8 Days
  • 23
    92990-06600-00 washer, plate Supersedes: 92903-06600-00 (WASHER, PLATE) Price: $3.28
    Expected to Ship in 5-8 Days
  • 24
    5R2-82530-03-00 stop switch assy Supersedes: 5R2-82530-02-00 (STOP SWITCH ASSEMBLY) Retail: $26.99 Price: $23.21
    Expected to Ship in 5-8 Days
  • 25
    1FG-82590-00-00 wire harness assemblyassy
    This part is currently unavailable.
  • 26
    3H5-82150-00-00 fuse holder assembly Retail: $54.99 Price: $44.54
    Expected to Ship in 5-8 Days
  • 27
    Expected to Ship in 5-8 Days
  • 28
    341-26397-01-00 band Supersedes: 435-13474-00-00 (BAND)
    This part is currently unavailable.
  • 29
    25G-83936-01-00 band, switch cord Supersedes: 90464-12045-00 (CLAMP) Price: $6.31
    Expected to Ship in 5-8 Days
  • 30
    1AA-82566-01-00 switch,side stand Supersedes: 1AA-82566-00-00 (SWITCH, SIDE STAND) Retail: $50.99 Price: $41.30
    Expected to Ship in 5-8 Days
  • 31
    98707-05016-00 screw, flat head Supersedes: 98706-05016-00 (SCREW, FLAT HEAD) Price: $9.19
    Expected to Ship in 5-8 Days
Added to your cart
CLOSE