Tire Rebates! Get Up To $70 Back Shop Now
CLOSE
Shipping to US Flag United States
Free shipping over $79
My Ride: 2012 Triumph Scrambler
Moto Madness Sale | Get Up To 65% Off Parts & Gear Shop Now

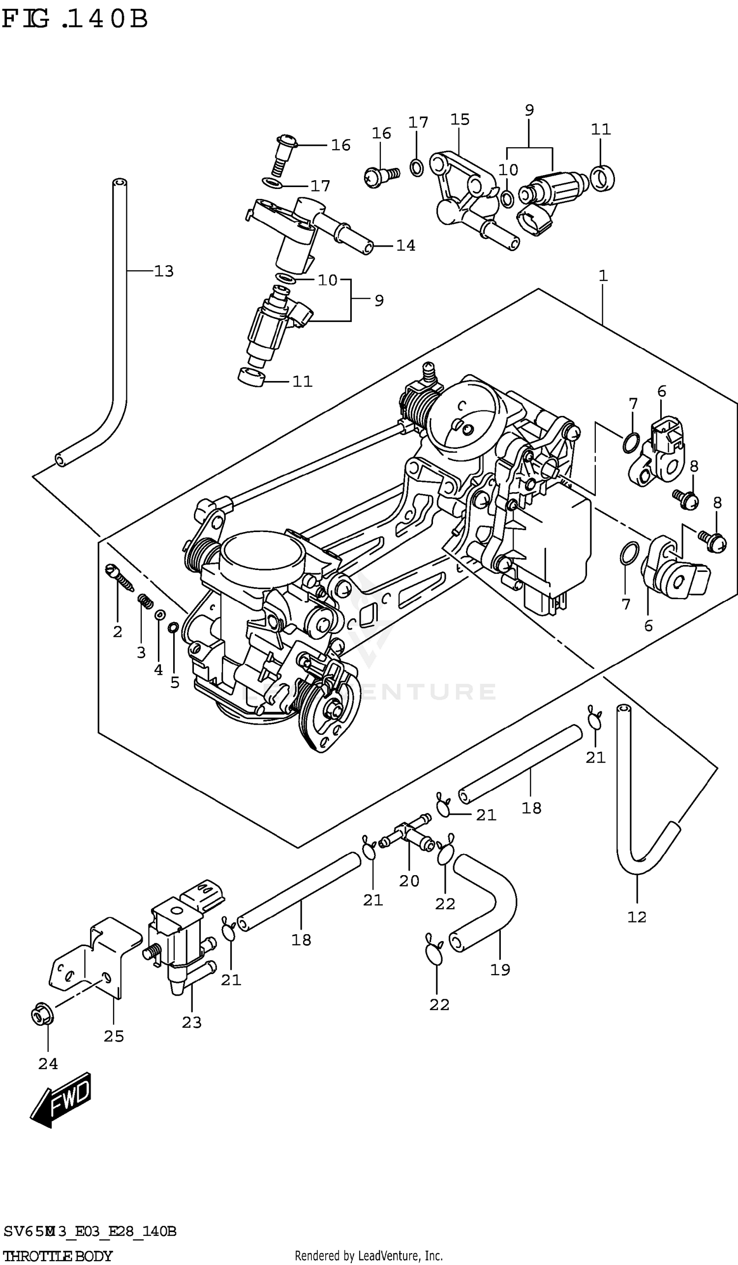
2023 Suzuki SV650X THROTTLE BODY (E33)

Set this as my ride
THROTTLE BODY (E33)

WARNING Cancer and Reproductive Harm www.P65Warnings.ca.gov.

All 2023 Suzuki SV650X Part Groups
Added to your cart
CLOSE