Kickstart your Riding Season with Bike Prep and Riding Gear Shop Now
CLOSE
Shipping to US Flag United States
Free shipping over $79
Moto Madness Sale | Get Up To 65% Off Parts & Gear Shop Now

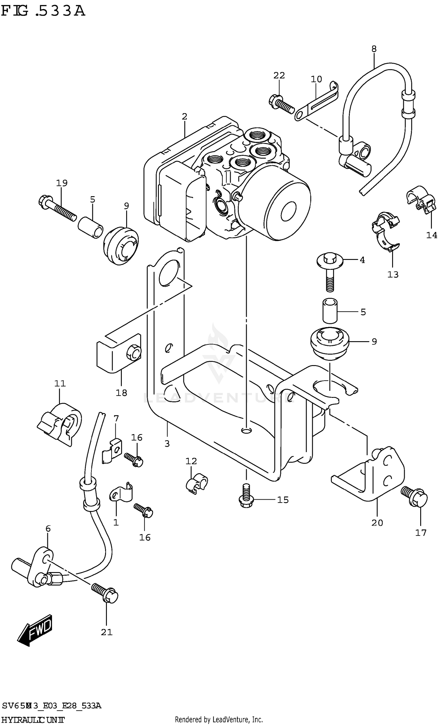
2023 Suzuki SV650X HYDRAULIC UNIT (E28)

Set this as my ride
HYDRAULIC UNIT (E28)

WARNING Cancer and Reproductive Harm www.P65Warnings.ca.gov.

All 2023 Suzuki SV650X Part Groups
Added to your cart
CLOSE