BOGOS | Buy One Get One Deals Shop Now
CLOSE
Shipping to US Flag United States
Free shipping over $79
My Ride: 2012 Honda Shadow Aero 750 - VT750CA
Fast Cash Week | Earn $25 Fast Cash When You Spend $199 Learn More

2022 Suzuki GSXR750 OEM Parts

Set this as my ride

View all parts for your 2022 Suzuki GSXR750

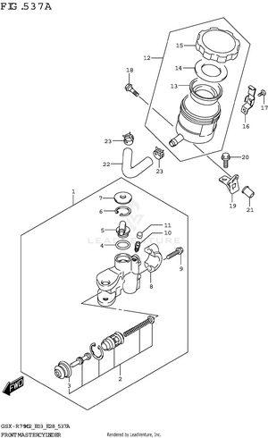
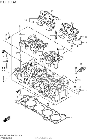
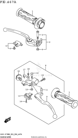
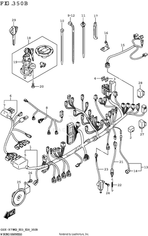
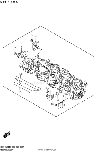
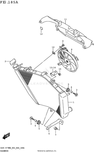
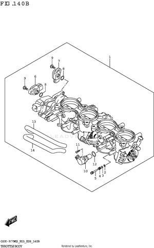
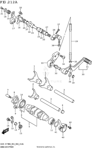
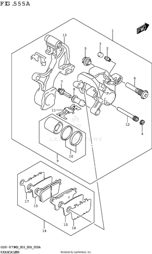
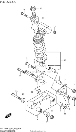
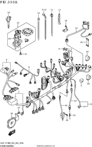
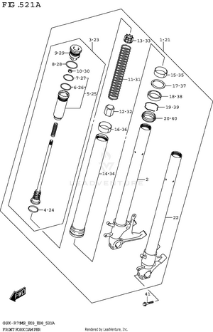
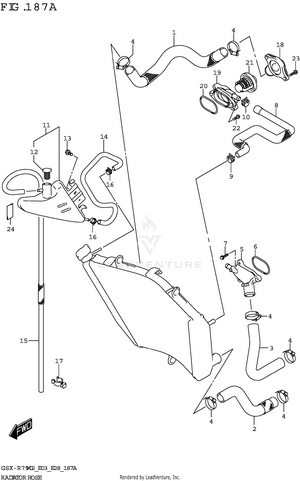
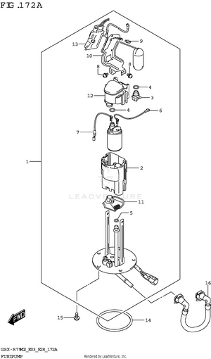
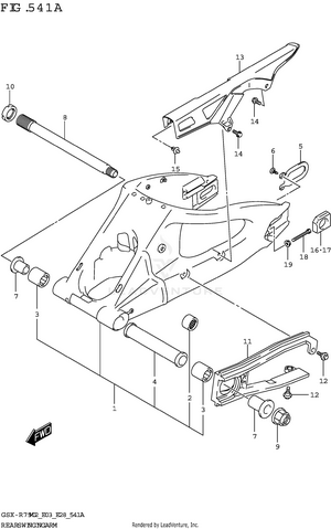
2ND AIR AIR CLEANER AIR INTAKE PIPE (GSX-R750) AIR INTAKE PIPE (GSX-R750Z) BATTERY CAM CHAIN CAMSHAFT/VALVE CLUTCH COWLING BODY (GSX-R750) COWLING BODY (GSX-R750Z) CRANK BALANCER CRANKCASE CRANKCASE COVER CRANKSHAFT CYLINDER HEAD CYLINDER HEAD COVER ELECTRICAL (E03,E28) ELECTRICAL (E33) EVAP SYSTEM (E33) FOOTREST FRAME FRAME COVER (GSX-R750) FRAME COVER (GSX-R750Z) FRONT BRAKE HOSE FRONT CALIPER FRONT FENDER (GSX-R750) FRONT FENDER (GSX-R750Z) FRONT FORK DAMPER FRONT MASTER CYLINDER FRONT WHEEL (GSX-R750:(E03,E28,E33)) FRONT WHEEL (GSX-R750Z:(E03,E28,E33)) FUEL PUMP FUEL TANK (GSX-R750:(E03,E28)) FUEL TANK (GSX-R750:E33) FUEL TANK (GSX-R750Z:(E03,E28)) FUEL TANK (GSX-R750Z:E33) FUEL TANK COVER (GSX-R750) FUEL TANK COVER (GSX-R750Z) GASKET SET GEAR SHIFTING GENERATOR HANDLE LEVER HANDLE SWITCH HANDLEBAR HEADLAMP INNER COWLING LABEL (E03) LABEL (E28) LABEL (E33) MUFFLER OIL COOLER OIL PAN/OIL PUMP RADIATOR RADIATOR HOSE REAR CALIPER REAR COMBINATION LAMP REAR CUSHION LEVER REAR FENDER REAR MASTER CYLINDER REAR SWINGINGARM REAR WHEEL (GSX-R750:(E03,E28,E33)) REAR WHEEL (GSX-R750Z:(E03,E28,E33)) SEAT SEAT TAIL BOX (OPTIONAL) SIDE COWLING (GSX-R750) SIDE COWLING (GSX-R750Z) SIGNAL GENERATOR SPEEDOMETER (E03,E33) SPEEDOMETER (E28) STAND STARTER CLUTCH STARTING MOTOR STEERING STEM THROTTLE BODY (E03,E28) THROTTLE BODY (E33) THROTTLE BODY HOSE/JOINT (E03,E28) THROTTLE BODY HOSE/JOINT (E33) TRANSMISSION TURNSIGNAL LAMP UNDER COWLING (GSX-R750) UNDER COWLING (GSX-R750Z) WATER PUMP WIRING HARNESS (E03,E28) WIRING HARNESS (E33)