Kickstart your Riding Season with Bike Prep and Riding Gear Shop Now
CLOSE
Shipping to US Flag United States
Free shipping over $79
Moto Madness Sale | Get Up To 65% Off Parts & Gear Shop Now

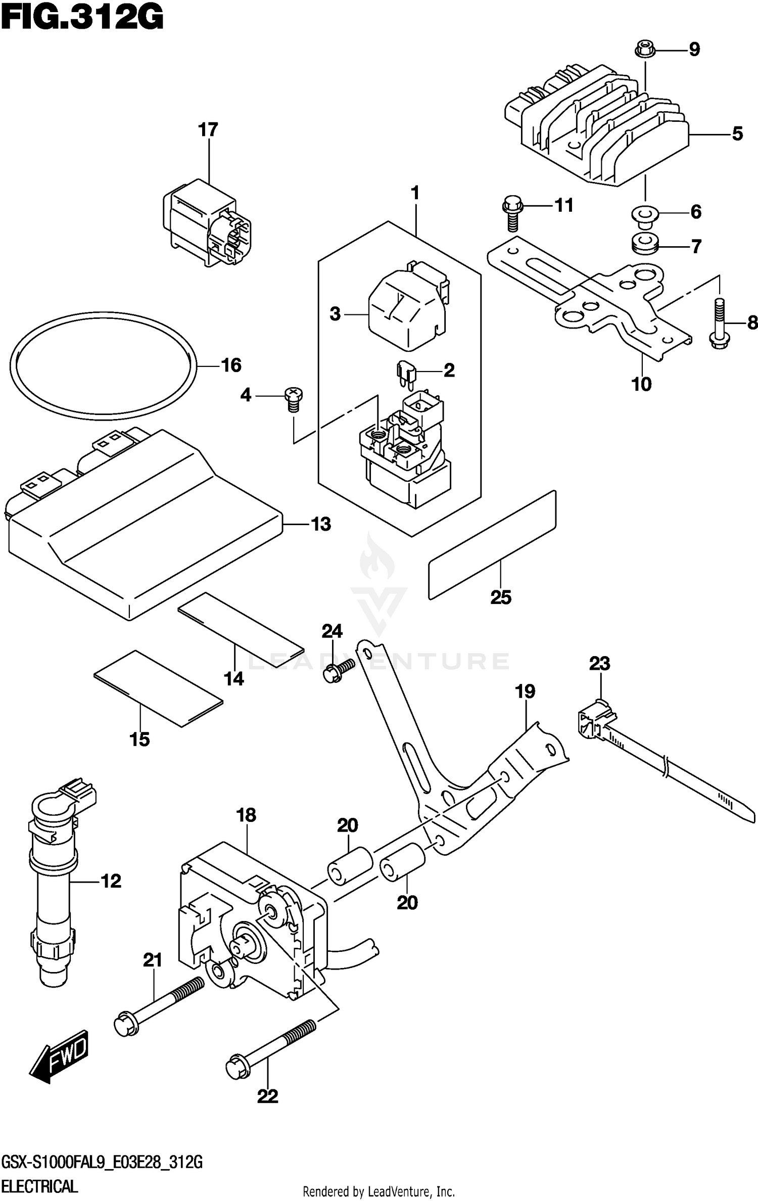
2019 Suzuki GSXS1000FA ELECTRICAL (GSX-S1000FZAL9 E03)

Set this as my ride
ELECTRICAL (GSX-S1000FZAL9 E03)

WARNING Cancer and Reproductive Harm www.P65Warnings.ca.gov.

All 2019 Suzuki GSXS1000FA Part Groups
Added to your cart
CLOSE