LUCKY YOU! Extra 10% Off Clearance | Use Code POTOGOLD10 Limited Time! Ends 3/18 Shop Now
CLOSE
Shipping to US Flag United States
Free shipping over $79
My Ride: 2020 Cfmoto CFORCE 400
Moto Madness Sale | Get Up To 65% Off Parts & Gear Shop Now

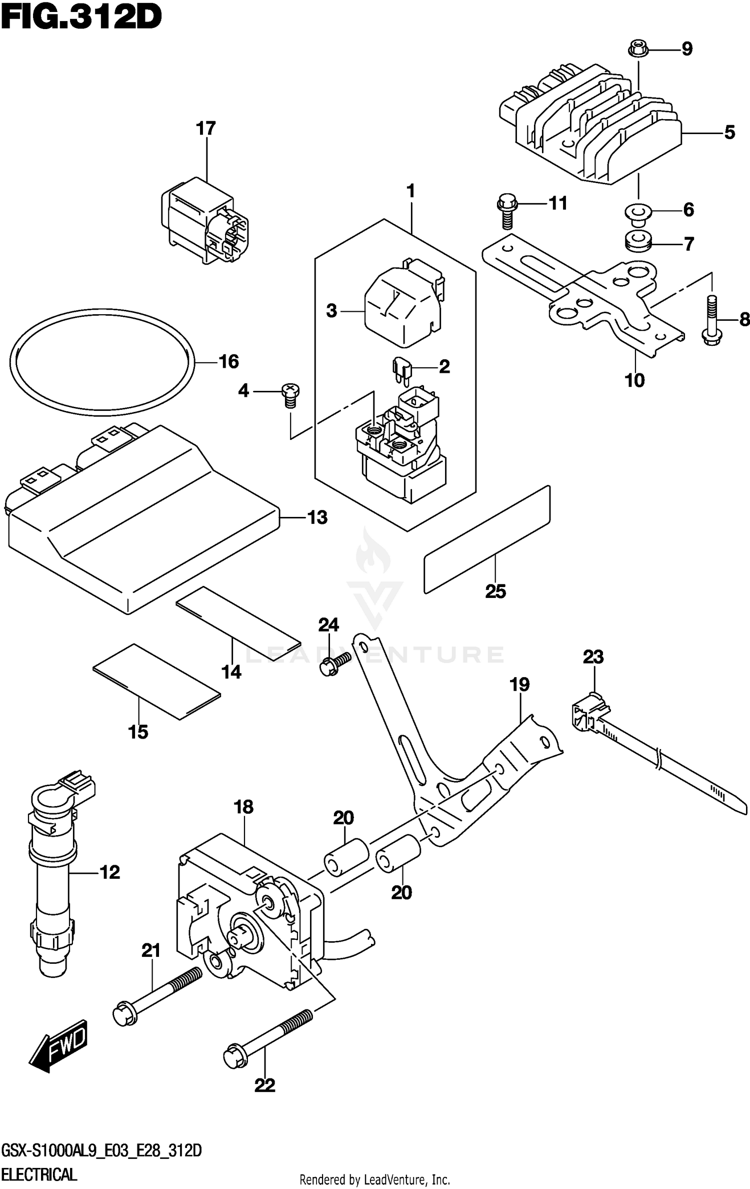
2019 Suzuki GSXS1000A ELECTRICAL (GSX-S1000YAL9 E03)

Set this as my ride
ELECTRICAL (GSX-S1000YAL9 E03)

WARNING Cancer and Reproductive Harm www.P65Warnings.ca.gov.

All 2019 Suzuki GSXS1000A Part Groups
Added to your cart
CLOSE