Kickstart your Riding Season with Bike Prep and Riding Gear Shop Now
CLOSE
Shipping to US Flag United States
Free shipping over $79
Moto Madness Sale | Get Up To 65% Off Parts & Gear Shop Now

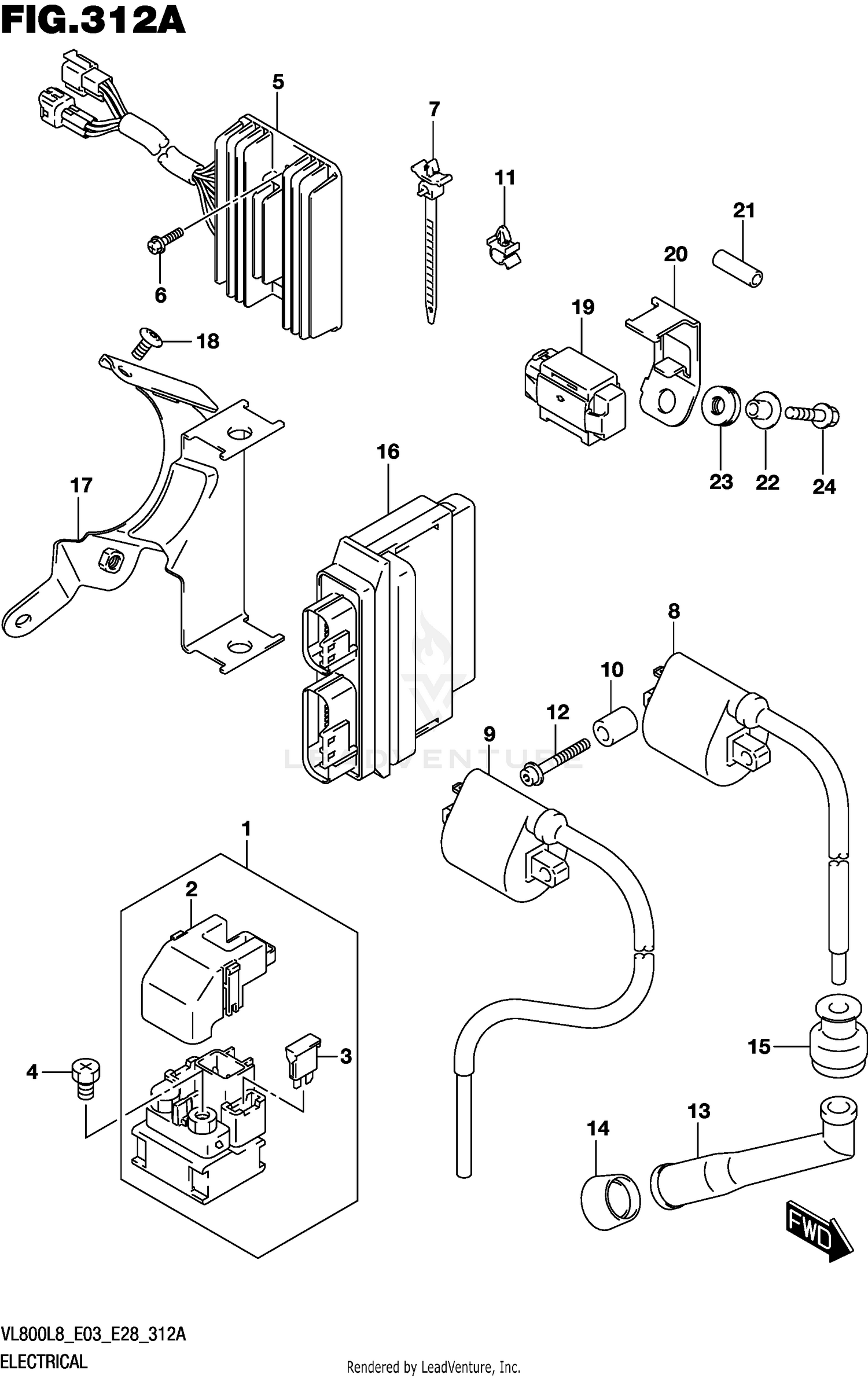
2018 Suzuki VL800 ELECTRICAL (VL800L8 E03)

Set this as my ride
ELECTRICAL (VL800L8 E03)

WARNING Cancer and Reproductive Harm www.P65Warnings.ca.gov.

All 2018 Suzuki VL800 Part Groups
Added to your cart
CLOSE