LUCKY YOU! Extra 10% Off Clearance | Use Code POTOGOLD10 Limited Time! Ends 3/21 Shop Now
CLOSE
Shipping to US Flag United States
Free shipping over $79
My Ride: 2018 KTM 250EXCF
Moto Madness Sale | Get Up To 65% Off Parts & Gear Shop Now

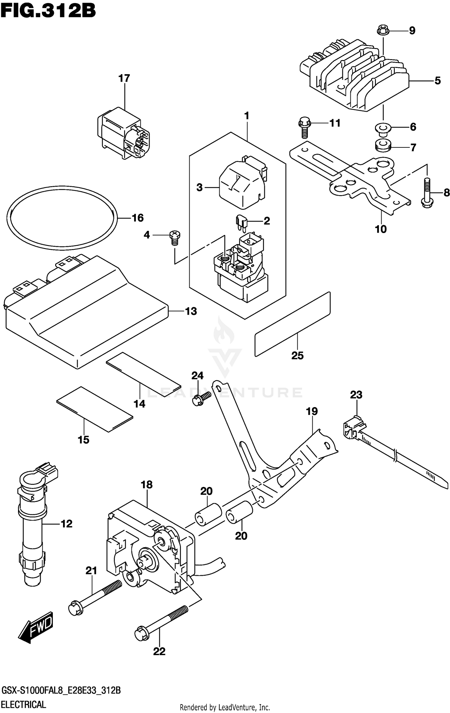
2018 Suzuki GSXS1000F (ABS) ELECTRICAL (GSX-S1000FAL8 E33)

Set this as my ride
ELECTRICAL (GSX-S1000FAL8 E33)

WARNING Cancer and Reproductive Harm www.P65Warnings.ca.gov.

Added to your cart
CLOSE