Renthal Deal! Up To 10% Off Shop Now
CLOSE
Shipping to US Flag United States
Free shipping over $79
My Ride: 2017 Can-Am OUTLANDER MAX 450
Moto Madness Sale | Get Up To 65% Off Parts & Gear Shop Now

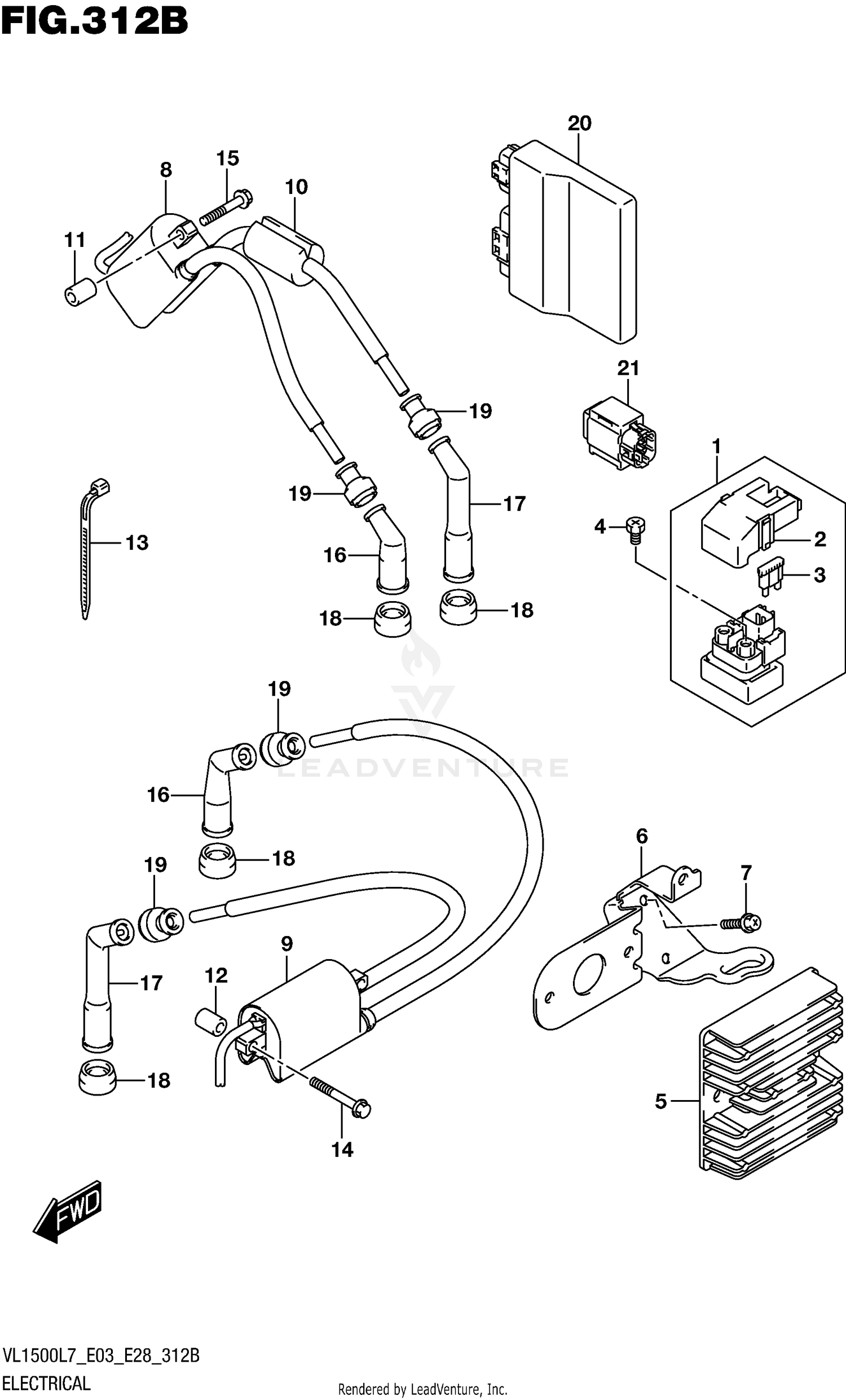
2017 Suzuki VL1500B ELECTRICAL (VL1500BL7 E28)

Set this as my ride
ELECTRICAL (VL1500BL7 E28)

WARNING Cancer and Reproductive Harm www.P65Warnings.ca.gov.

All 2017 Suzuki VL1500B Part Groups
Added to your cart
CLOSE