Kickstart your Riding Season with Bike Prep and Riding Gear Shop Now
CLOSE
Shipping to US Flag United States
Free shipping over $79
My Ride: 2012 Triumph Scrambler
Moto Madness Sale | Get Up To 65% Off Parts & Gear Shop Now

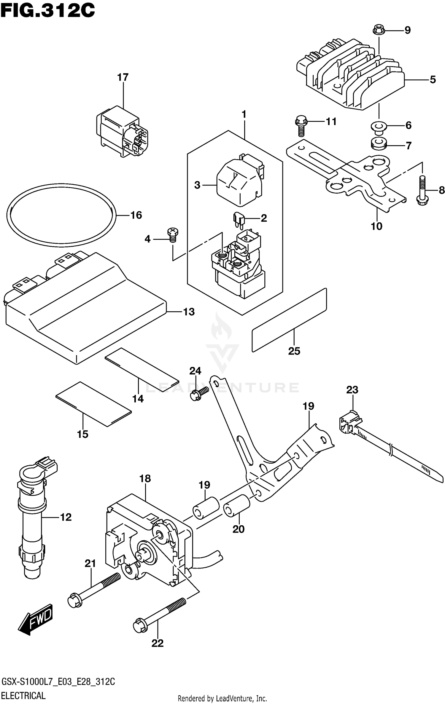
2017 Suzuki GSXS1000 ELECTRICAL (GSX-S1000AL7 E28)

Set this as my ride
ELECTRICAL (GSX-S1000AL7 E28)

WARNING Cancer and Reproductive Harm www.P65Warnings.ca.gov.

All 2017 Suzuki GSXS1000 Part Groups
Added to your cart
CLOSE