One Day Only! FREE 2-Day Shipping on Orders Over $99 with code RIDEOFF Shop Now
CLOSE
Shipping to US Flag United States
Free shipping over $79
Fast Cash Week | Earn $25 Fast Cash When You Spend $199 Learn More

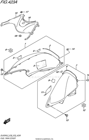
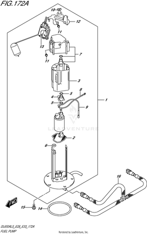
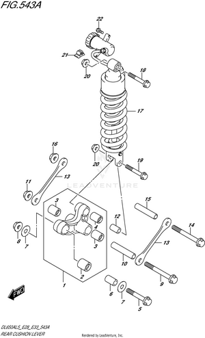
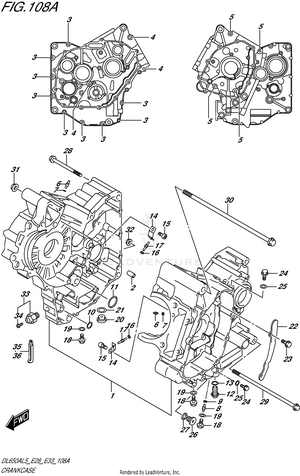
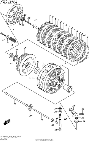
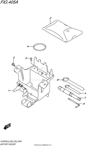
2015 Suzuki V-STROM - DL650A OEM Parts

Set this as my ride