BOGOS End Today! | Buy One Get One Deals Shop Now
CLOSE
Shipping to US Flag United States
Free shipping over $79
My Ride: 2002 Honda TRX400EX
Fast Cash Week Ends Today! | Earn $25 Fast Cash When You Spend $199 Learn More

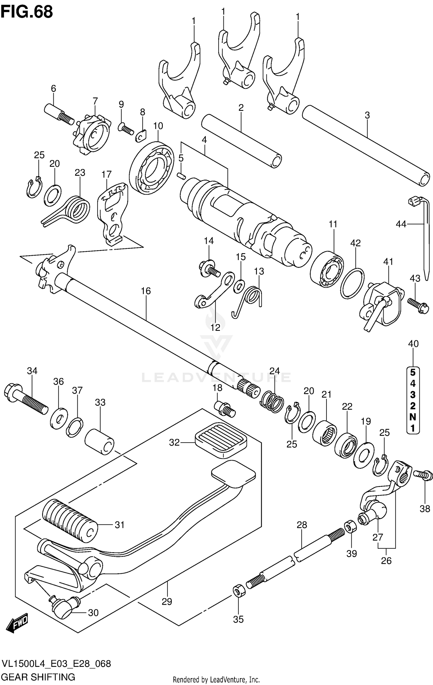
2014 Suzuki VL1500B GEAR SHIFTING

Set this as my ride
GEAR SHIFTING

WARNING Cancer and Reproductive Harm www.P65Warnings.ca.gov.

All 2014 Suzuki VL1500B Part Groups
Added to your cart
CLOSE