Kickstart your Riding Season with Bike Prep and Riding Gear Shop Now
CLOSE
Shipping to US Flag United States
Free shipping over $79
My Ride: 2012 Triumph Scrambler
Moto Madness Sale | Get Up To 65% Off Parts & Gear Shop Now

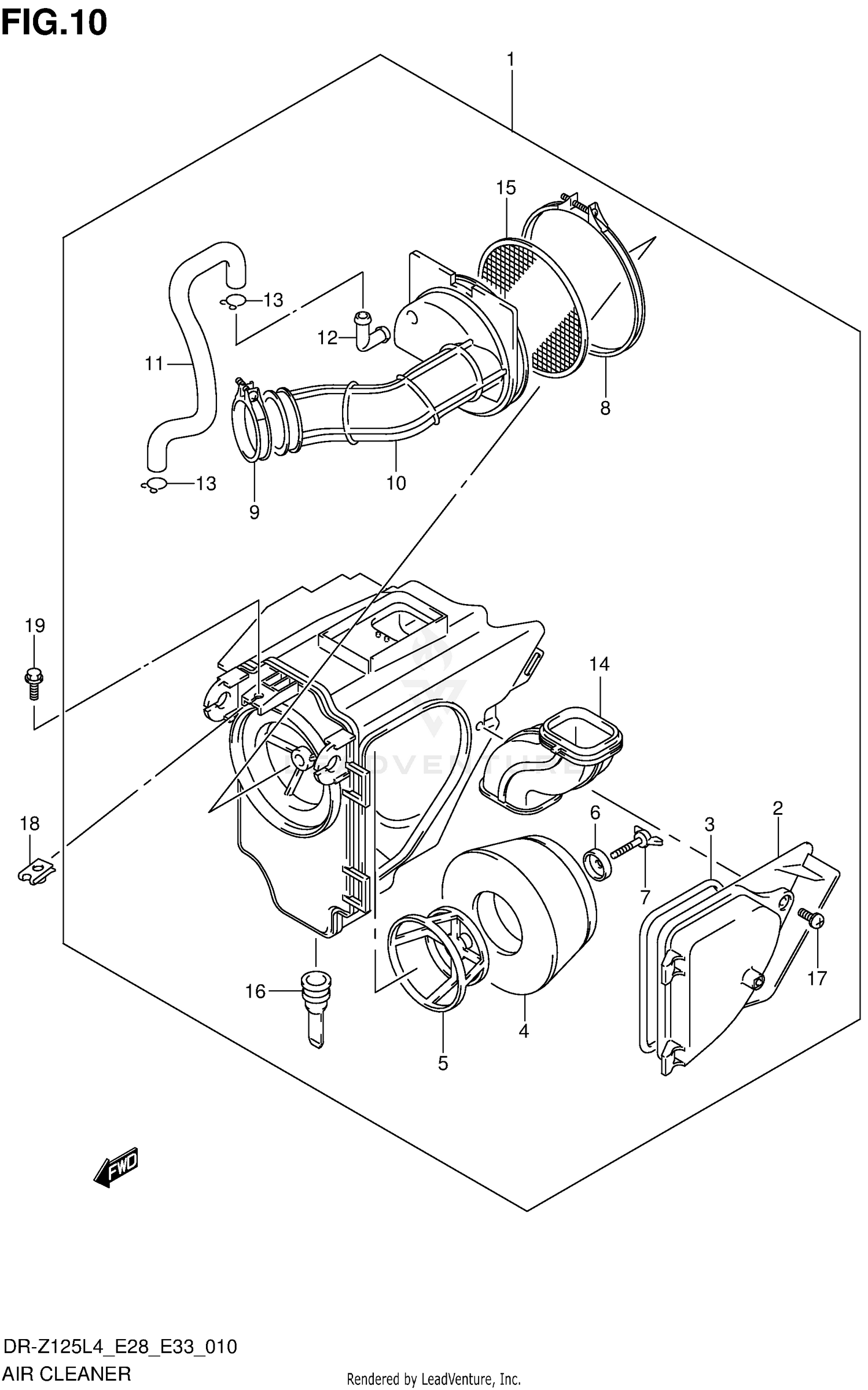
2014 Suzuki DRZ125L AIR CLEANER

Set this as my ride
AIR CLEANER

WARNING Cancer and Reproductive Harm www.P65Warnings.ca.gov.

All 2014 Suzuki DRZ125L Part Groups
Added to your cart
CLOSE