Acerbis Plastic Kits Starting At $119.99 Shop Now
CLOSE
Shipping to US Flag United States
Free shipping over $79
My Ride: 2006 Yamaha BLASTER
Bargain Bin Blowout! | Save 40-90% Off! Shop Now

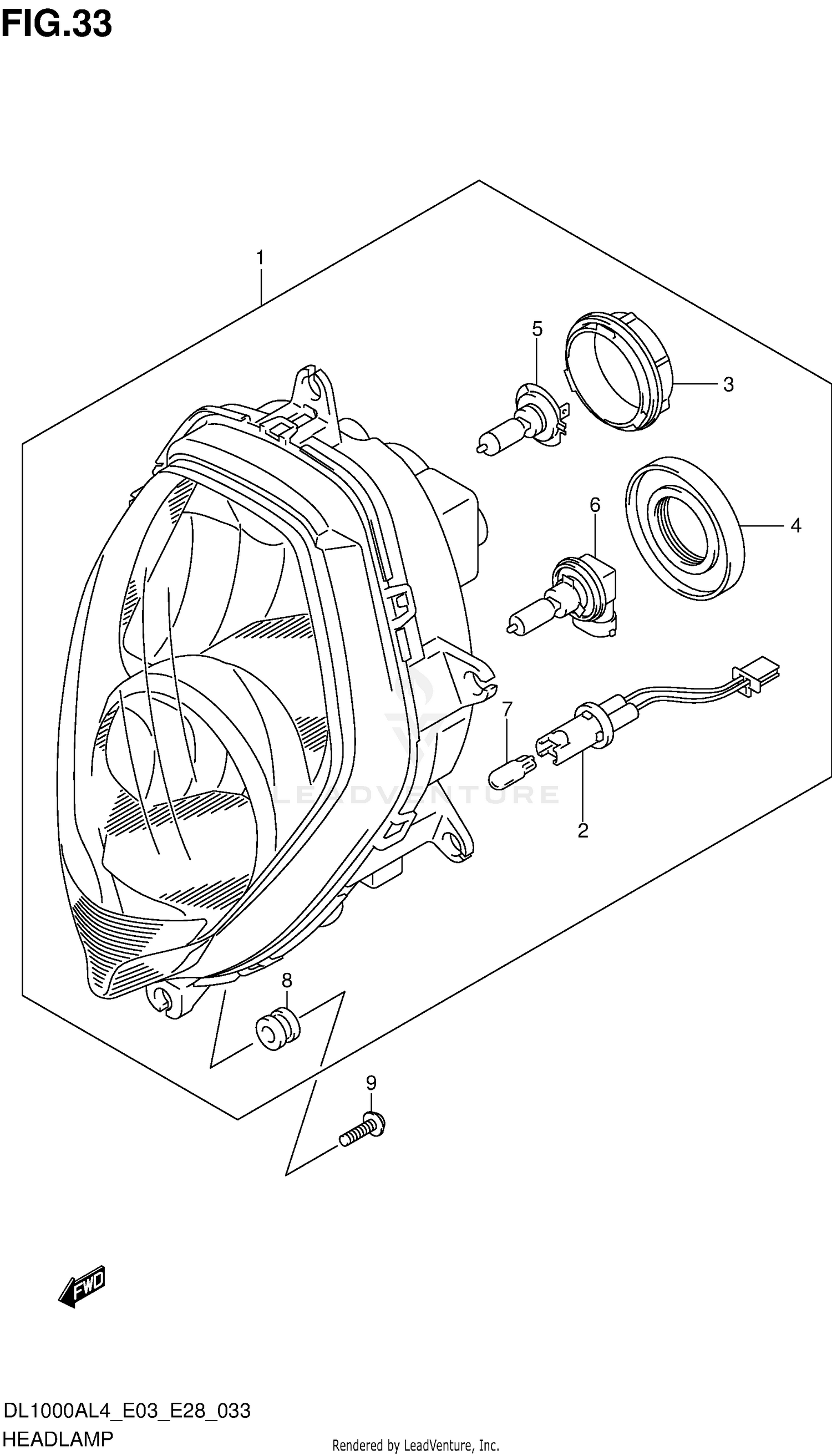
2014 Suzuki DL1000 HEADLAMP

Set this as my ride
HEADLAMP

WARNING Cancer and Reproductive Harm www.P65Warnings.ca.gov.

All 2014 Suzuki DL1000 Part Groups
Added to your cart
CLOSE