FMF Exhausts Up To 10% Off Shop Now
CLOSE
Shipping to US Flag United States
Free shipping over $79
Bargain Bin Blowout Ends Today! | Save 40-90% Off! Shop Now

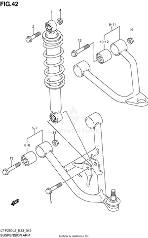
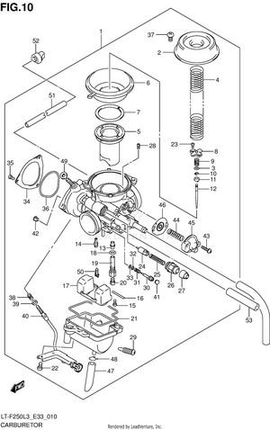
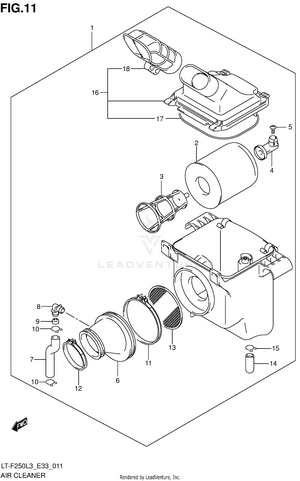
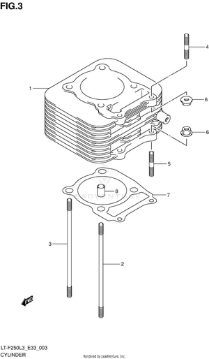
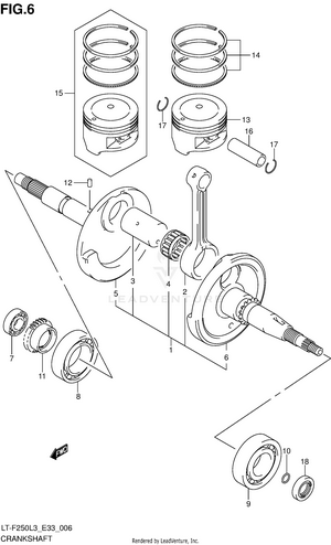
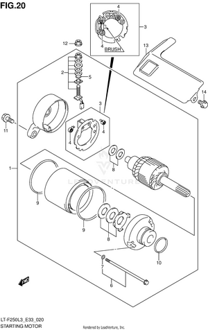
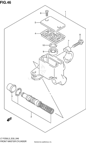
2013 Suzuki OZARK 250 - LT-F250L3 OEM Parts

Set this as my ride