One Day Only! FREE 2-Day Shipping on Orders Over $99 with code RIDEOFF Shop Now
CLOSE
Shipping to US Flag United States
Free shipping over $79
My Ride: 2006 Kawasaki Vulcan 750 - VN750A
Fast Cash Week | Earn $25 Fast Cash When You Spend $199 Learn More

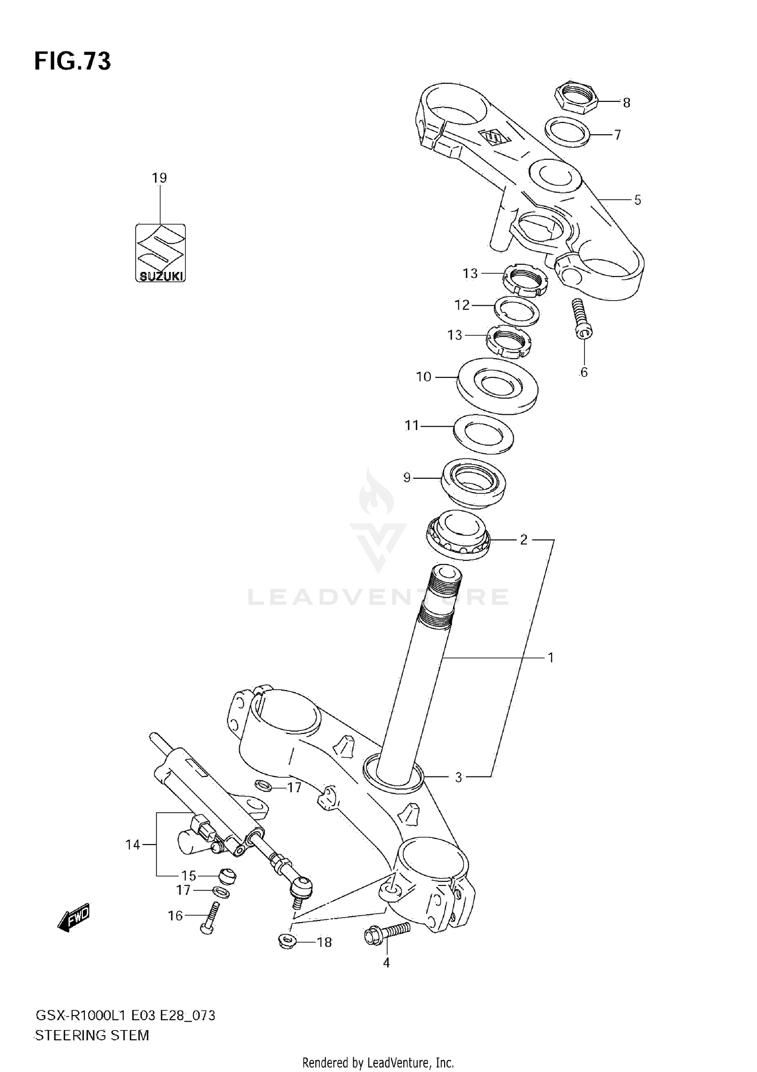
2011 Suzuki GSXR1000 STEERING STEM

Set this as my ride
STEERING STEM

WARNING Cancer and Reproductive Harm www.P65Warnings.ca.gov.

All 2011 Suzuki GSXR1000 Part Groups
Added to your cart
CLOSE