Renthal Deal! Up To 10% Off Shop Now
CLOSE
Shipping to US Flag United States
Free shipping over $79
My Ride: 2012 Triumph Scrambler
Moto Madness Sale | Get Up To 65% Off Parts & Gear Shop Now

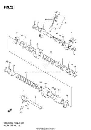
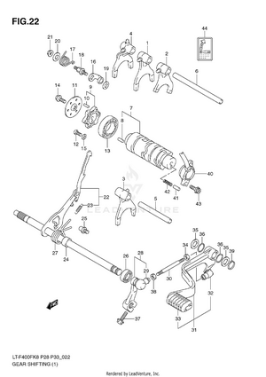
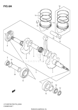
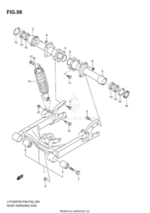
2009 Suzuki KING QUAD 400FS 4X4 SEMI-AUTO OEM Parts

Set this as my ride