Kickstart your Riding Season with Bike Prep and Riding Gear Shop Now
CLOSE
Shipping to US Flag United States
Free shipping over $79
My Ride: 2002 Harley Davidson Fat Boy - FLSTF
Moto Madness Sale | Get Up To 65% Off Parts & Gear Shop Now

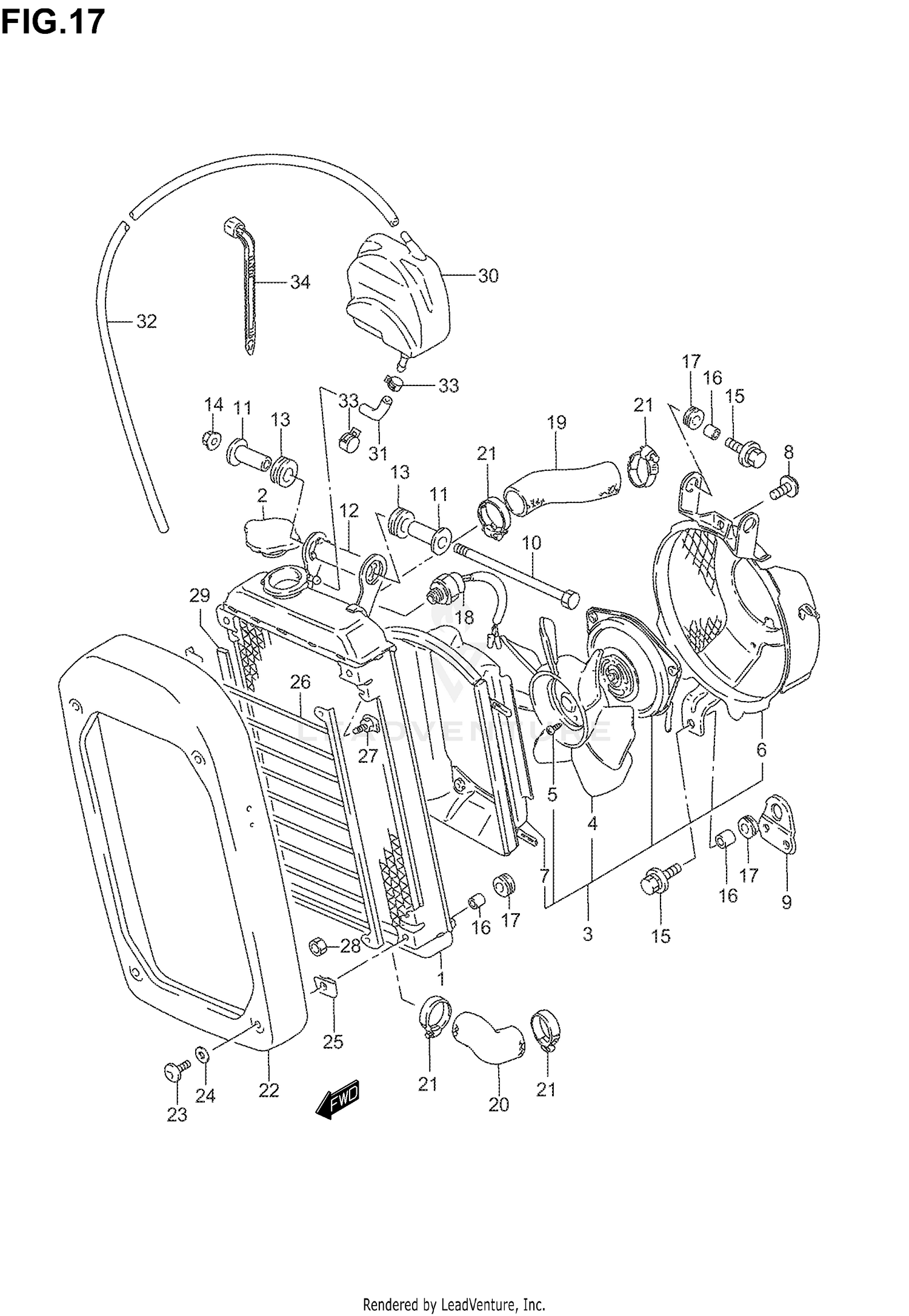
2005 Suzuki BOULEVARD S50 - VS800 RADIATOR

Set this as my ride
RADIATOR

WARNING Cancer and Reproductive Harm www.P65Warnings.ca.gov.

All 2005 Suzuki BOULEVARD S50 - VS800 Part Groups
Added to your cart
CLOSE