Kickstart your Riding Season with Bike Prep and Riding Gear Shop Now
CLOSE
Shipping to US Flag United States
Free shipping over $79
Moto Madness Sale | Get Up To 65% Off Parts & Gear Shop Now

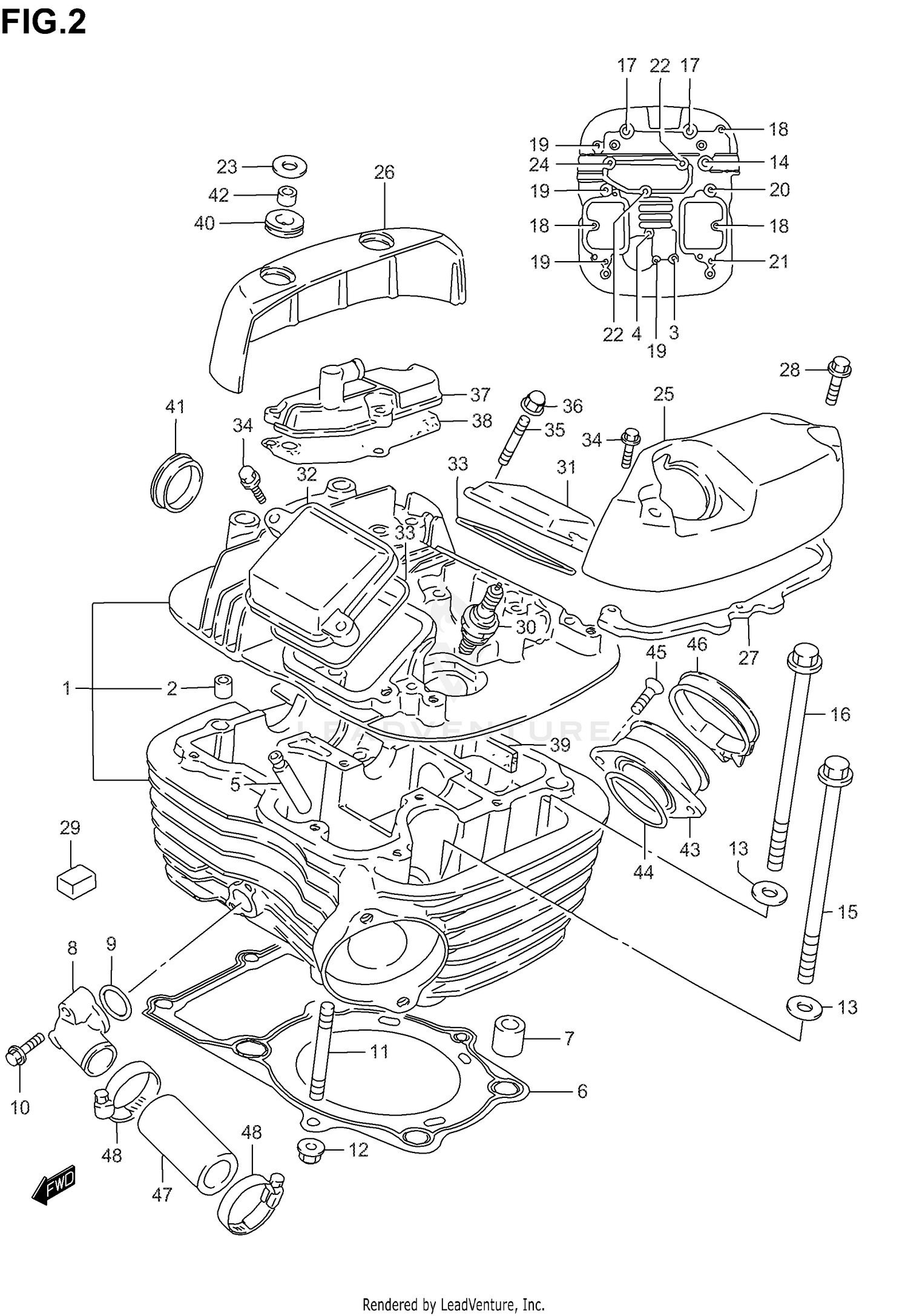
2005 Suzuki BOULEVARD S50 - VS800 CYLINDER HEAD (REAR)

Set this as my ride
CYLINDER HEAD (REAR)

WARNING Cancer and Reproductive Harm www.P65Warnings.ca.gov.

All 2005 Suzuki BOULEVARD S50 - VS800 Part Groups
Added to your cart
CLOSE