HOT DEAL! 100% | Up To 40% Off Shop Now
CLOSE
Shipping to US Flag United States
Free shipping over $79
My Ride: 2020 Polaris RANGER XP 1000
Spring Sale Bargain Bin Save 40% - 90% Off! Shop Now

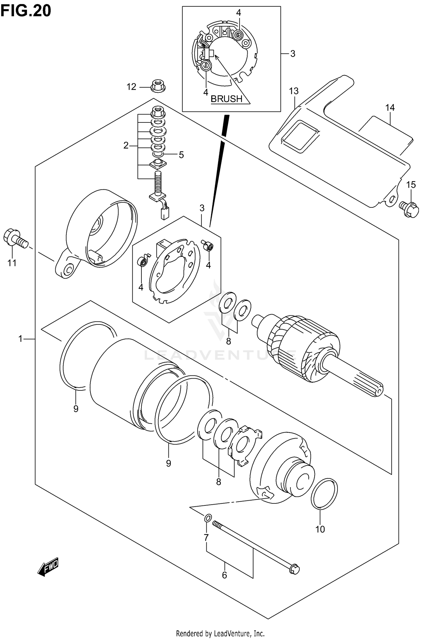
2003 Suzuki LT-F250 QUADRUNNER 2X4 STARTING MOTOR

Set this as my ride
STARTING MOTOR

WARNING Cancer and Reproductive Harm www.P65Warnings.ca.gov.

All 2003 Suzuki LT-F250 QUADRUNNER 2X4 Part Groups
Added to your cart
CLOSE