Kickstart your Riding Season with Bike Prep and Riding Gear Shop Now
CLOSE
Shipping to US Flag United States
Free shipping over $79
Moto Madness Sale | Get Up To 65% Off Parts & Gear Shop Now

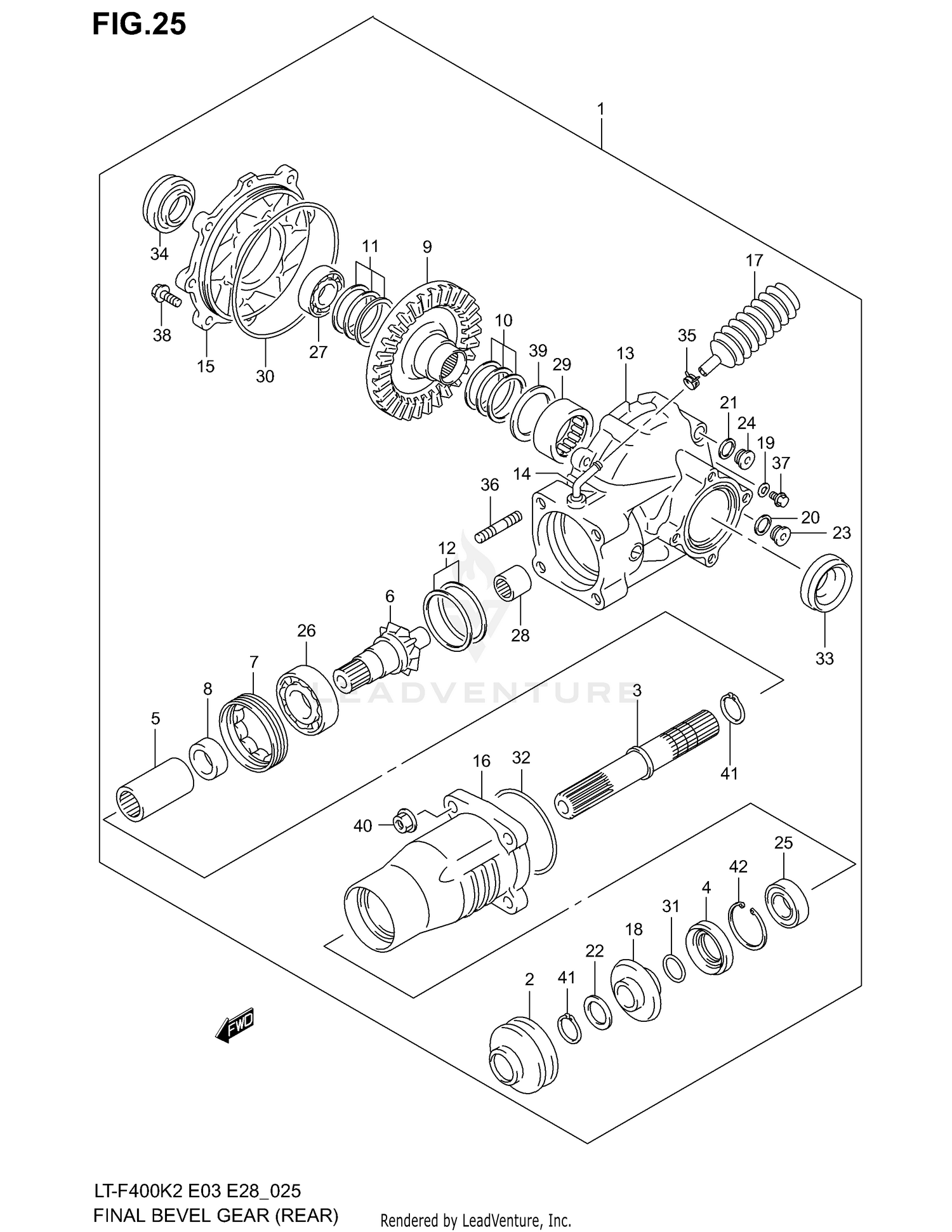
2002 Suzuki EIGER 400 2X4 SEMI-AUTO FINAL BEVEL GEAR (REAR)

Set this as my ride
FINAL BEVEL GEAR (REAR)

WARNING Cancer and Reproductive Harm www.P65Warnings.ca.gov.

Added to your cart
CLOSE