LUCKY YOU! Extra 10% Off Clearance | Use Code POTOGOLD10 Limited Time! Ends 3/21 Shop Now
CLOSE
Shipping to US Flag United States
Free shipping over $79
My Ride: 2012 Triumph Scrambler
Moto Madness Sale | Get Up To 65% Off Parts & Gear Shop Now

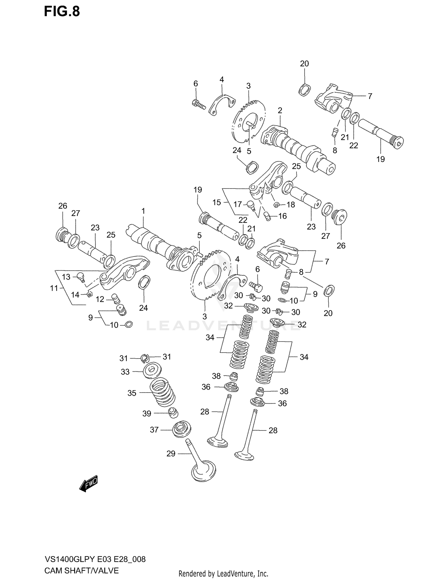
2000 Suzuki INTRUDER 1400 - VS1400GLP CAMSHAFT - VALVE

Set this as my ride
CAMSHAFT - VALVE

WARNING Cancer and Reproductive Harm www.P65Warnings.ca.gov.

All 2000 Suzuki INTRUDER 1400 - VS1400GLP Part Groups
Added to your cart
CLOSE