Get Out and Ride | Dialed Gear. Tuned Parts. Dirt Ready. Shop Now
CLOSE
Shipping to US Flag United States
Free shipping over $79
BOGOS | Buy One Get One Deals Shop Now

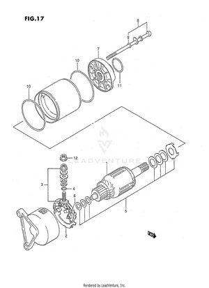
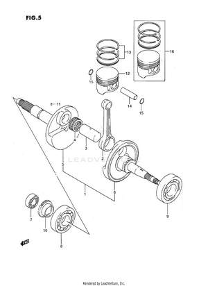
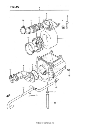
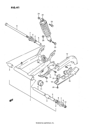
1995 Suzuki LT-F160 QUADRUNNER 2X4 OEM Parts

Set this as my ride