HOT DEAL! 100% | Up To 40% Off Shop Now
CLOSE
Shipping to US Flag United States
Free shipping over $79
My Ride: 2014 Can-Am MAVERICK 1000R X RS DPS
Spring Sale Bargain Bin Save 40% - 90% Off! Shop Now

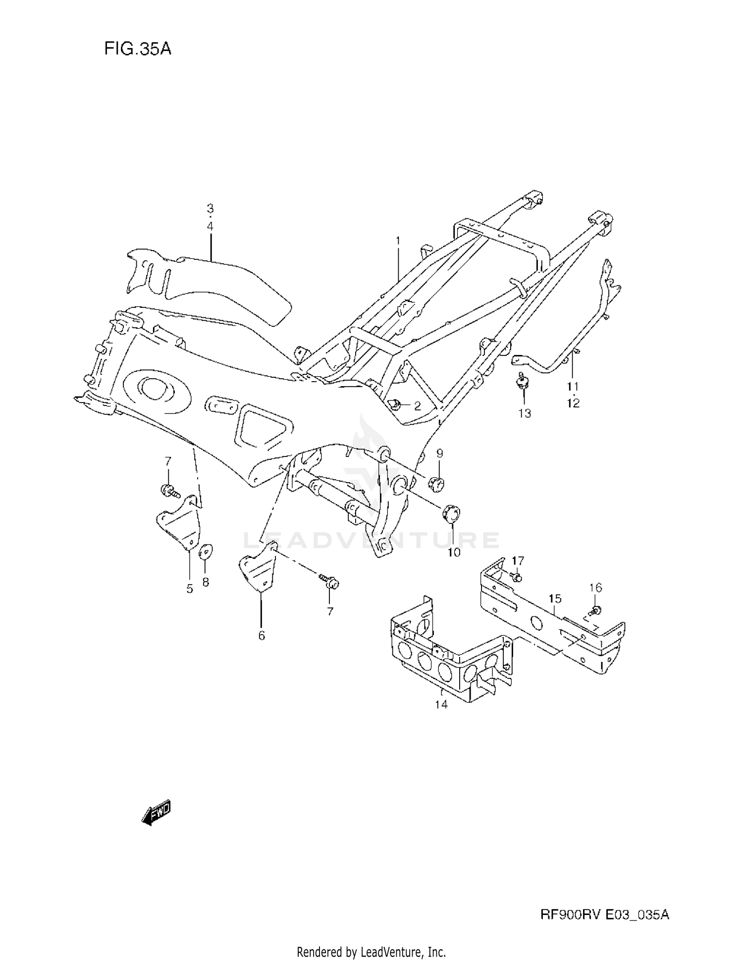
1994 Suzuki RF900RV FRAME (MODEL V)

Set this as my ride
FRAME (MODEL V)

WARNING Cancer and Reproductive Harm www.P65Warnings.ca.gov.

Added to your cart
CLOSE