Kickstart your Riding Season with Bike Prep and Riding Gear Shop Now
CLOSE
Shipping to US Flag United States
Free shipping over $79
My Ride: 2012 Triumph Scrambler
Moto Madness Sale | Get Up To 65% Off Parts & Gear Shop Now

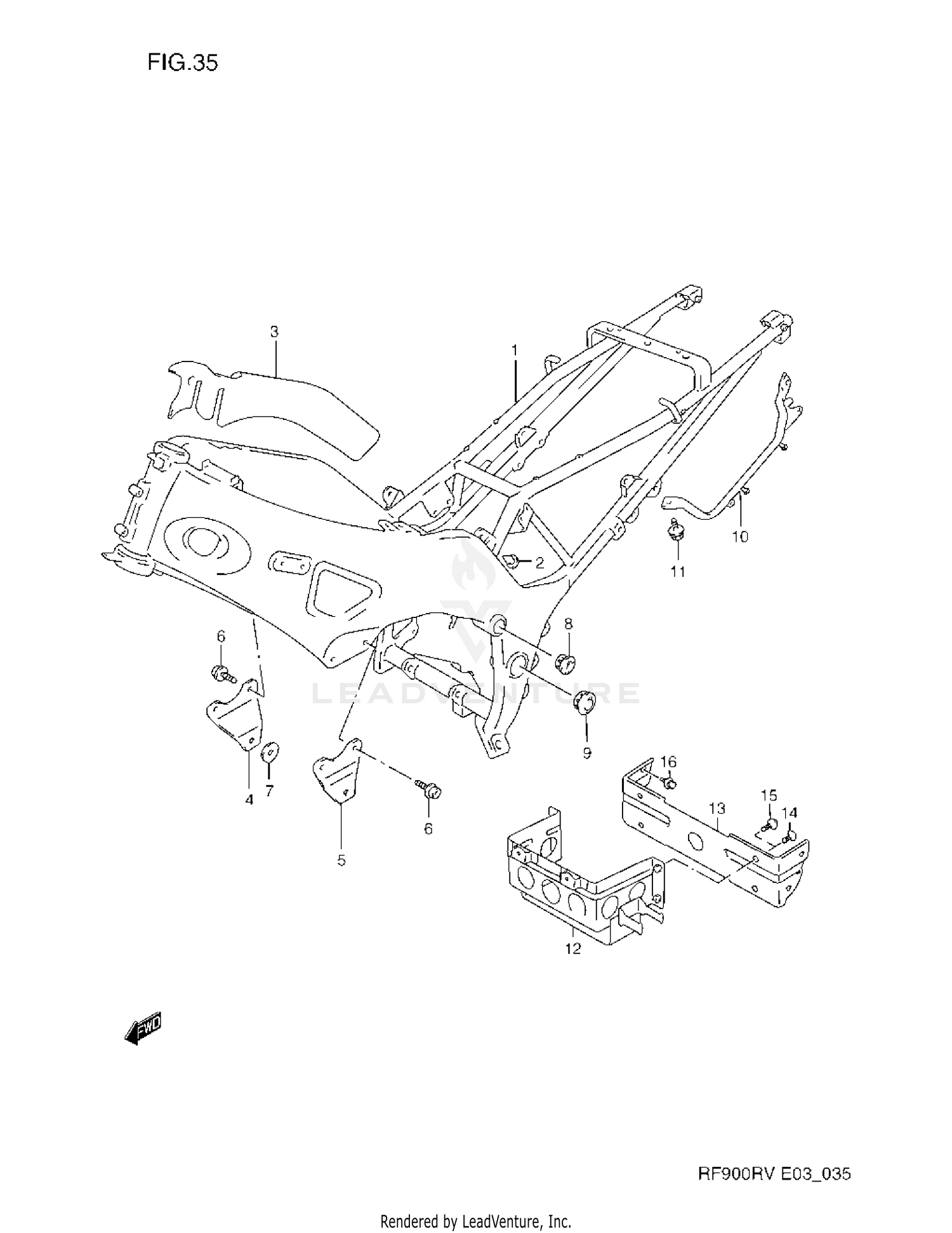
1994 Suzuki RF900RV FRAME (MODEL R/S/T)

Set this as my ride
FRAME (MODEL R/S/T)

WARNING Cancer and Reproductive Harm www.P65Warnings.ca.gov.

  • # Part Retail Our Price
    Stock Status Suggested Quantity
  • 1
    41100-31E00-19A frame (red) RF900RR
    This part is currently unavailable.
  • 1
    41100-31E00-33J frame (black) RF900RR
    This part is currently unavailable.
  • 1
    41100-31E10-19A frame (red) CALIFORNIA ONLY,RF900RR
    This part is currently unavailable.
  • 1
    41100-31E10-33J frame (black) CALIFORNIA ONLY,RF900RR
    This part is currently unavailable.
  • 1
    41100-31E21-19A no description available RF900RS Supersedes: 41100-31E20-19A (FRAME (RED)) Retail: $1,941.65 Price: $1,630.99
    Expected to Ship in 4-9 Days
  • 1
    41100-31E20-1UH frame (green) RF900RS
    This part is currently unavailable.
  • 1
    41100-31E21-0FP frame RF900RZS/RF900RT Supersedes: 41100-31E20-0FP (FRAME (SILVER))
    This part is currently unavailable.
  • 1
    41100-31E21-0FP frame CALIFORNIA ONLY,RF900RS Supersedes: 41100-31E30-19A (FRAME (RED))
    This part is currently unavailable.
  • 1
    41100-31E21-0FP frame CALIFORNIA ONLY,RF900RS Supersedes: 41100-31E30-1UH (FRAME (GREEN))
    This part is currently unavailable.
  • 1
    41100-31E31-0FP no description available CALIFORNIA ONLYRF900RZS/RF900RT Supersedes: 41100-31E30-0FP (FRAME (SILVER)) Retail: $1,831.47 Price: $1,538.43
    Expected to Ship in 4-9 Days
  • 2
    09250-06017 plug (od:10) CALIFORNIA ONLY Supersedes: 09250-06012 (PLUG) Price: $3.68
    Expected to Ship in 4-9 Days
  • 3
    41891-21E02 shield, heat rh Retail: $40.08 Price: $37.68
    Expected to Ship in 4-9 Days
  • 3
    41892-21E02 shield, head lh Retail: $40.08 Price: $37.68
    Expected to Ship in 4-9 Days
  • 4
    41911-31E01 plate, engine mount rh Retail: $25.62 Price: $24.08
    Expected to Ship in 4-9 Days
  • 5
    41921-31E01 plate, engine mount lh Retail: $26.14 Price: $24.57
    Expected to Ship in 4-9 Days
  • 6
    07120-1030B bolt Supersedes: 07120-10303 (BOLT) Price: $6.27
    Expected to Ship in 4-9 Days
  • 7
    Expected to Ship in 4-9 Days
  • 8
    Expected to Ship in 4-9 Days
  • 9
    43585-21E00 cap, pivot Retail: $12.10 Price: $11.37
    Expected to Ship in 4-9 Days
  • 10
    43970-31E10 grip, rear rh
    This part is currently unavailable.
  • 10
    43980-31E10 grip, rear lh Retail: $104.29 Price: $88.65
    Expected to Ship in 4-9 Days
  • 11
    01550-0812A bolt (8x12) Supersedes: 01550-08123 (BOLT) Price: $3.21
    In Stock
  • 12
    41540-21E11 holder, battery MODEL R Supersedes: 41540-21E00 (HOLDER, BATTERY)
    This part is currently unavailable.
  • 12
    41540-21E11 holder, battery MODEL S/T
    This part is currently unavailable.
  • 13
    41561-21E00 bracket Retail: $23.19 Price: $21.80
    Expected to Ship in 4-9 Days
  • 14
    02142-0612A screw MODEL R Supersedes: 02142-06125 (SCREW) Price: $1.90
    In Stock
  • 15
    01550-0612A bolt, clamp MODEL S/T Supersedes: 01517-06125 (BOLT, PLATE) Price: $2.73
    In Stock
  • 16
    01550-0616A bolt Supersedes: 01550-06163 (BOLT, HOLDER) Price: $2.73
    In Stock
  • 17
    SPECIAL NOTE refer to fig.35a(f-3) for
    This part is currently unavailable.
Added to your cart
CLOSE