Tire Rebates! Get Up To $70 Back Shop Now
CLOSE
Shipping to US Flag United States
Free shipping over $79
Moto Madness Sale | Get Up To 65% Off Parts & Gear Shop Now

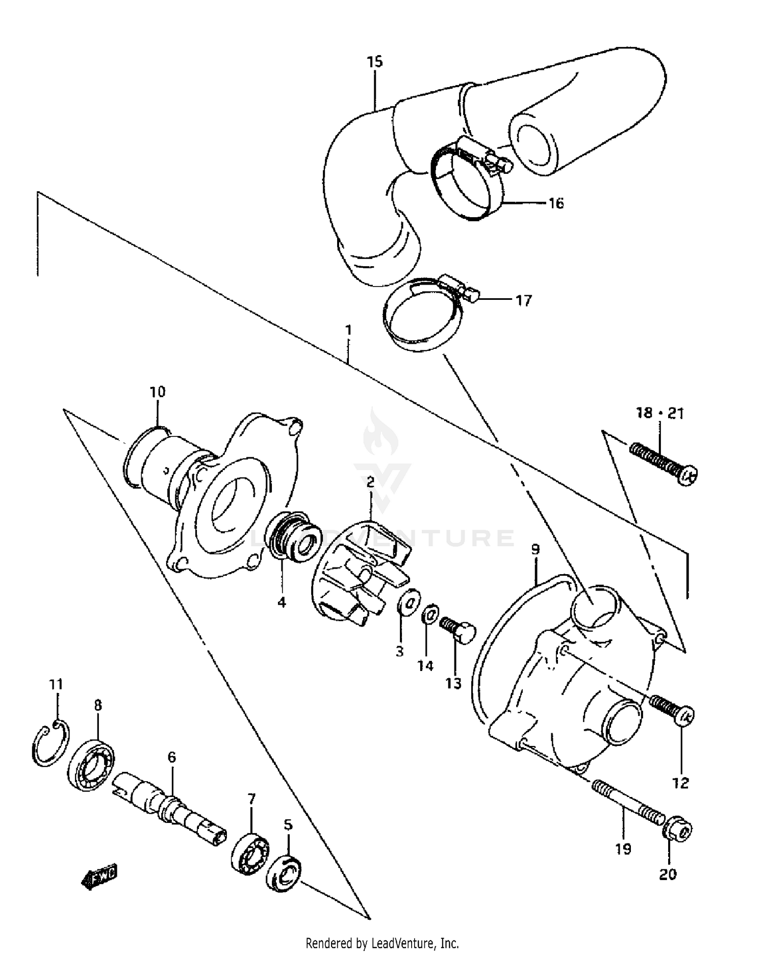
1993 Suzuki GSXR750W WATER PUMP

Set this as my ride
WATER PUMP

WARNING Cancer and Reproductive Harm www.P65Warnings.ca.gov.

  • # Part Retail Our Price
    Stock Status Suggested Quantity
  • 1
    17400-17E02 pump assy,water MODEL P/R Supersedes: 17400-17E00 (PUMP ASSY, WATER)
    This part is currently unavailable.
  • 1
    17400-17E02 pump assy,water MODEL S Supersedes: 17400-17E01 (PUMP ASSY, WATER)
    This part is currently unavailable.
  • 2
    17491-17E01 .impeller Supersedes: 17491-17E00 (IMPELLER, WATER PUMP) Retail: $34.02 Price: $31.98
    Expected to Ship in 4-9 Days
  • 3
    09168-06025 gasket Supersedes: 09168-06016 (GASKET) Price: $3.86
    Expected to Ship in 4-9 Days
  • 4
    17470-02F11 .seal,mechanical Supersedes: 17470-02F10 (SEAL, MECHANICAL) Retail: $36.10 Price: $33.93
    In Stock
  • 5
    09283-10004 .seal oil (10x21x5) Supersedes: 17461-38A00 (OIL SEAL) Price: $6.95
    In Stock
  • 6
    17511-17E00 shaft, water pump MODEL P/R Retail: $75.98 Price: $70.66
    Expected to Ship in 4-9 Days
  • 6
    17511-17E01 shaft, water pump MODEL S Retail: $124.02 Price: $105.42
    Expected to Ship in 4-9 Days
  • 7
    08113-69010 bearing MODEL P/R Retail: $28.35 Price: $26.65
    In Stock
  • 7
    09262-10014 bearing (lox26x8) MODEL S Retail: $19.49 Price: $18.32
    In Stock
  • 8
    09262-15008 bearing (15x28x7) MODEL P/R
    This part is currently unavailable.
  • 8
    09262-12001 bearing (12x28x8) MODEL S Retail: $22.81 Price: $21.44
    Expected to Ship in 4-9 Days
  • 9
    17418-33401 .o-ring Supersedes: 17418-33400 (O RING,WATER PU) Price: $6.36
    In Stock
  • 10
    17435-33400 .o-ring Retail: $18.89 Price: $17.76
    In Stock
  • 11
    08331-41289 circlip Supersedes: 08331-4128A (CIRCLIP) Price: $3.25
    Expected to Ship in 4-9 Days
  • 12
    02112-0616A screw MODEL P Supersedes: 02112-06163 (SCREW) Price: $1.99
    In Stock
  • 12
    02112-0616A screw MODAL R/S Supersedes: 02112-06163 (SCREW) Price: $1.99
    In Stock
  • 13
    Expected to Ship in 4-9 Days
  • 14
    Expected to Ship in 4-9 Days
  • 15
    17854-17E01 hose, water pump outlet MODEL P Supersedes: 17854-17E00 (HOSE WATER PUMP OUTLET)
    This part is currently unavailable.
  • 15
    17854-17E01 hose water pump outlet MODEL RIS
    This part is currently unavailable.
  • 16
    09402-32511 clamp MODEL P/R Supersedes: 09402-30502 (CLAMP) Retail: $13.42 Price: $12.61
    Expected to Ship in 4-9 Days
  • 16
    09402-32511 clamp MODE I S Retail: $13.42 Price: $12.61
    Expected to Ship in 4-9 Days
  • 17
    09402-38511 clamp MODEL P/R Supersedes: 09402-33502 (CLAMP) Retail: $14.42 Price: $13.55
    Expected to Ship in 4-9 Days
  • 17
    09402-38511 clamp MODEL S Retail: $14.42 Price: $13.55
    Expected to Ship in 4-9 Days
  • 18
    02112-06357 screw MODEL P Price: $2.47
    In Stock
  • 19
    09108-06117 bolt MODAL R/S. Price: $3.25
    Expected to Ship in 4-9 Days
  • 20
    08316-1006B nut MODAL R/S Supersedes: 08316-16064 (NUT) Price: $3.47
    In Stock
  • 21
    02112-0635B screw MODEL R/S Supersedes: 02112-06353 (SCREW) Price: $3.08
    Expected to Ship in 4-9 Days
All 1993 Suzuki GSXR750W Part Groups
Added to your cart
CLOSE