LUCKY YOU! Extra 10% Off Clearance | Use Code POTOGOLD10 Limited Time! Ends 3/21 Shop Now
CLOSE
Shipping to US Flag United States
Free shipping over $79
My Ride: 2020 Cfmoto CFORCE 600
Moto Madness Sale | Get Up To 65% Off Parts & Gear Shop Now

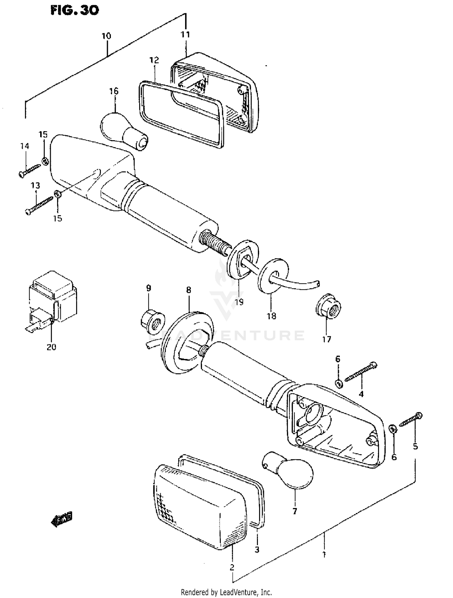
1993 Suzuki GSXR750W TURNSIGNAL LAMP

Set this as my ride
TURNSIGNAL LAMP

WARNING Cancer and Reproductive Harm www.P65Warnings.ca.gov.

All 1993 Suzuki GSXR750W Part Groups
Added to your cart
CLOSE