Kickstart your Riding Season with Bike Prep and Riding Gear Shop Now
CLOSE
Shipping to US Flag United States
Free shipping over $79
Bargain Bin Blowout! | Save 40-90% Off! Shop Now

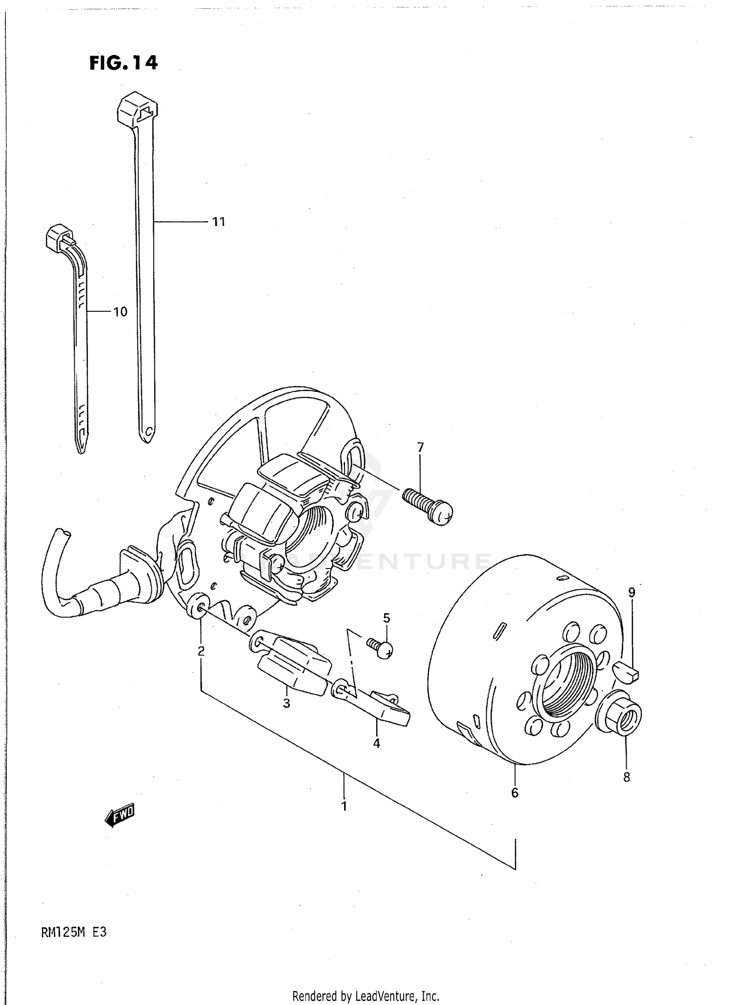
1990 Suzuki RM125 MAGNETO

Set this as my ride
MAGNETO

WARNING Cancer and Reproductive Harm www.P65Warnings.ca.gov.

  • # Part Retail Our Price
    Stock Status Suggested Quantity
  • 1
    32100-27C01 no description available MODEL K Supersedes: 32100-27C00 (MAGNETO ASSY)
    This part is currently unavailable.
  • 1
    32100-27C10 magneto assy MODEL L/M; Includes Item(s) 2 - 6
    This part is currently unavailable.
  • 2
    32101-43D00 stator assy MODEL K Supersedes: 32101-27C01 (STATOR ASSY)
    This part is currently unavailable.
  • 2
    32101-43D00 stator assy MODEL L/M Supersedes: 32101-27C10 (STATOR ASSY)
    This part is currently unavailable.
  • 3
    32150-05D00 coil, pick up MODEL L/M Supersedes: 32160-27C00 (COIL, PICK UP)
    This part is currently unavailable.
  • 4
    32157-27C01 holder, pick up coil MODEL L/M Supersedes: 32157-27C00 (HOLDER, PICK UP COIL) Price: $9.69
    Expected to Ship in 4-9 Days
  • 5
    02112-7516A screw MODEL L/M Supersedes: 13602-34390 (SCREW) Price: $3.37
    Expected to Ship in 4-9 Days
  • 6
    32102-27C00 rotor MODEL K
    This part is currently unavailable.
  • 6
    32102-43D00 rotor MODEL L/M Supersedes: 32102-27C10 (ROTOR)
    This part is currently unavailable.
  • 7
    02142-06207 screw Supersedes: 02112-16208 (SCREW) Price: $1.93
    Expected to Ship in 4-9 Days
  • 8
    08316-10107 nut, wheel set Supersedes: 08316-16108 (NUT, WHEEL SET) Price: $3.30
    In Stock
  • 9
    09420-04008 key Supersedes: 08341-31049 (KEY) Price: $4.78
    In Stock
  • 10
    09407-14403 clamp (l:125) MODEL K/LMODEL M Supersedes: 09407-08401 (CLAMP (L:125)) Price: $3.13
    In Stock
  • 10
    09407-25401 clamp (l:235) MODEL K/L Price: $6.53
    Expected to Ship in 4-9 Days
  • 10
    09407-18402 clamp (l:165) MODEL M Supersedes: 09407-18403 (CLAMP (L:165)) Price: $3.08
    In Stock
  • 11
    09407-22404 clamp (l:220) MODEL M Price: $2.90
    Expected to Ship in 4-9 Days
Added to your cart
CLOSE