Kickstart your Riding Season with Bike Prep and Riding Gear Shop Now
CLOSE
Shipping to US Flag United States
Free shipping over $79
Moto Madness Sale | Get Up To 65% Off Parts & Gear Shop Now

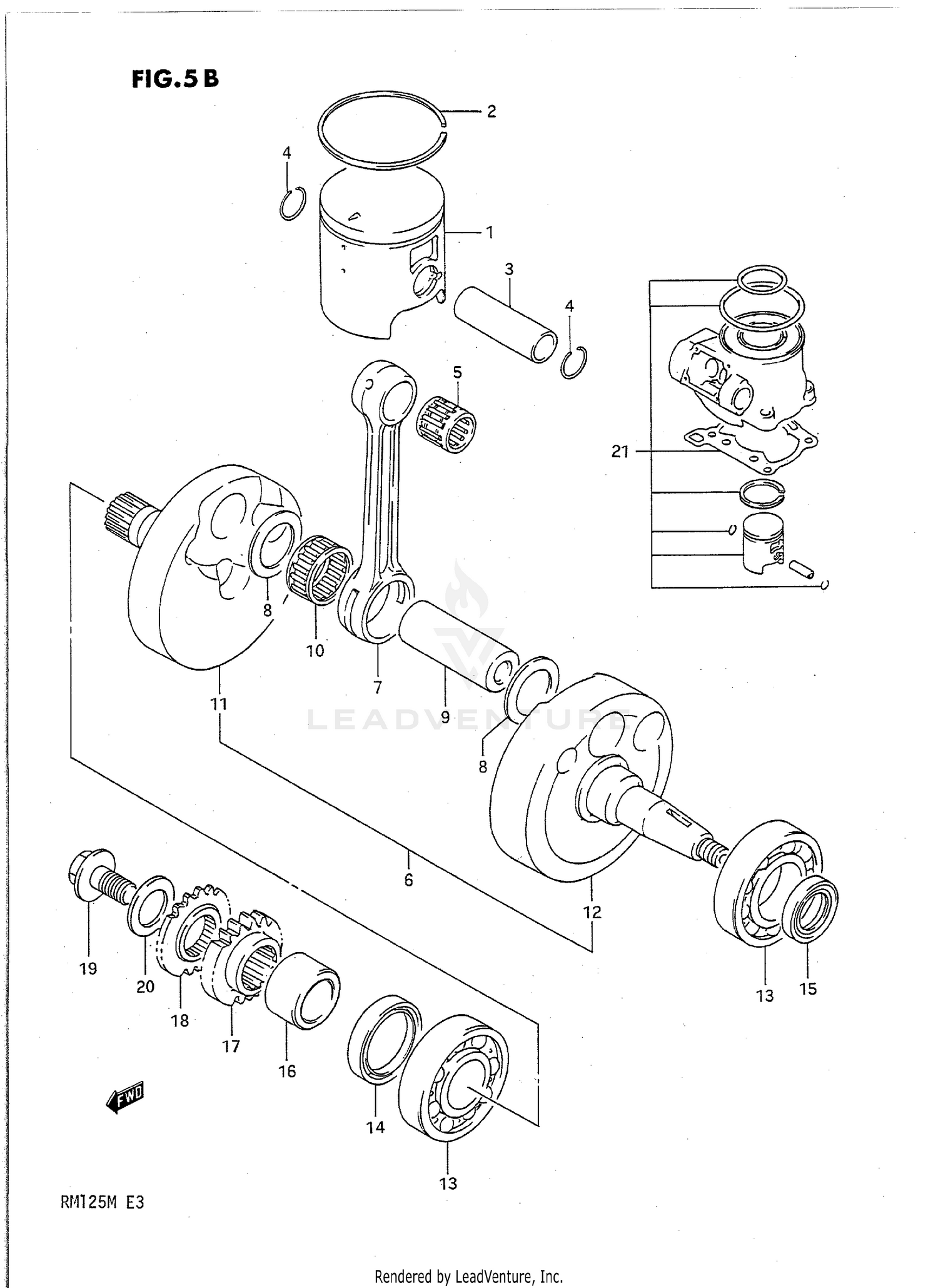
1990 Suzuki RM125 CRANKSHAFT (MODEL M)

Set this as my ride
CRANKSHAFT (MODEL M)

WARNING Cancer and Reproductive Harm www.P65Warnings.ca.gov.

  • # Part Retail Our Price
    Stock Status Suggested Quantity
  • 1
    12110-36E20-0F0 piston Supersedes: 12110-36E01-0F0 (PISTON)
    This part is currently unavailable.
  • 2
    12141-27C10 ring, piston
    This part is currently unavailable.
  • 3
    12151-01B41 pin, piston Retail: $19.14 Price: $9.77
    In Stock
  • 4
    In Stock
  • 5
    09263-15040 bearing, piston pin Retail: $20.70 Price: $19.46
    Expected to Ship in 4-9 Days
  • 6
    12200-27C21 no description available Includes Item(s) 7 - 12 Supersedes: 12200-27C20 (CRANKSHAFT ASSY)
    This part is currently unavailable.
  • 7
    12161-27C10 rod, connecting Retail: $80.75 Price: $75.10
    Expected to Ship in 4-9 Days
  • 8
    09160-22070 washer, 22x27.5 Supersedes: 09160-22043 (WASHER) Price: $9.45
    Expected to Ship in 4-9 Days
  • 9
    12211-27C00 pin, crank Retail: $43.31 Price: $40.71
    In Stock
  • 10
    09263-22060 bearing Retail: $80.00 Price: $74.40
    In Stock
  • 11
    12221-27C11 crankshaft, rh Supersedes: 12221-27C10 (CRANKSHAFT, RH)
    This part is currently unavailable.
  • 12
    12261-27C02 crankshaft, lh Supersedes: 12261-27C01 (CRANKSHAFT, LH) Retail: $170.40 Price: $144.84
    Expected to Ship in 4-9 Days
  • 13
    09262-22025 bearing, rh (22x56x16) Supersedes: 09262-22020 (BEARING) Retail: $70.23 Price: $65.31
    In Stock
  • 14
    09283-30076 seal,oil (30x40x7) Supersedes: 09283-30061 (SEAL,OIL(30X40X) Retail: $18.65 Price: $17.53
    Expected to Ship in 4-9 Days
  • 15
    09283-18006 oil seal, lh (18x30x6) Retail: $12.75 Price: $12.63
    Expected to Ship in 4-9 Days
  • 16
    12359-27C30 spacer Retail: $21.30 Price: $20.02
    Expected to Ship in 4-9 Days
  • 17
    21111-01B41 gear, primary drive (nt:17)
    This part is currently unavailable.
  • 18
    12674-01B40 gear, governor drive (nt:19)
    This part is currently unavailable.
  • 19
    09103-10339 bolt, primary drive gear Supersedes: 21141-27C11 (BOLT) Retail: $11.52 Price: $10.83
    In Stock
  • 20
    In Stock
  • 21
    12100-43861 top end kit, engine OPT Supersedes: 12100-43842 (TOP END KIT, ENGINE)
    This part is currently unavailable.
Added to your cart
CLOSE