Kickstart your Riding Season with Bike Prep and Riding Gear Shop Now
CLOSE
Shipping to US Flag United States
Free shipping over $79
Moto Madness Sale | Get Up To 65% Off Parts & Gear Shop Now

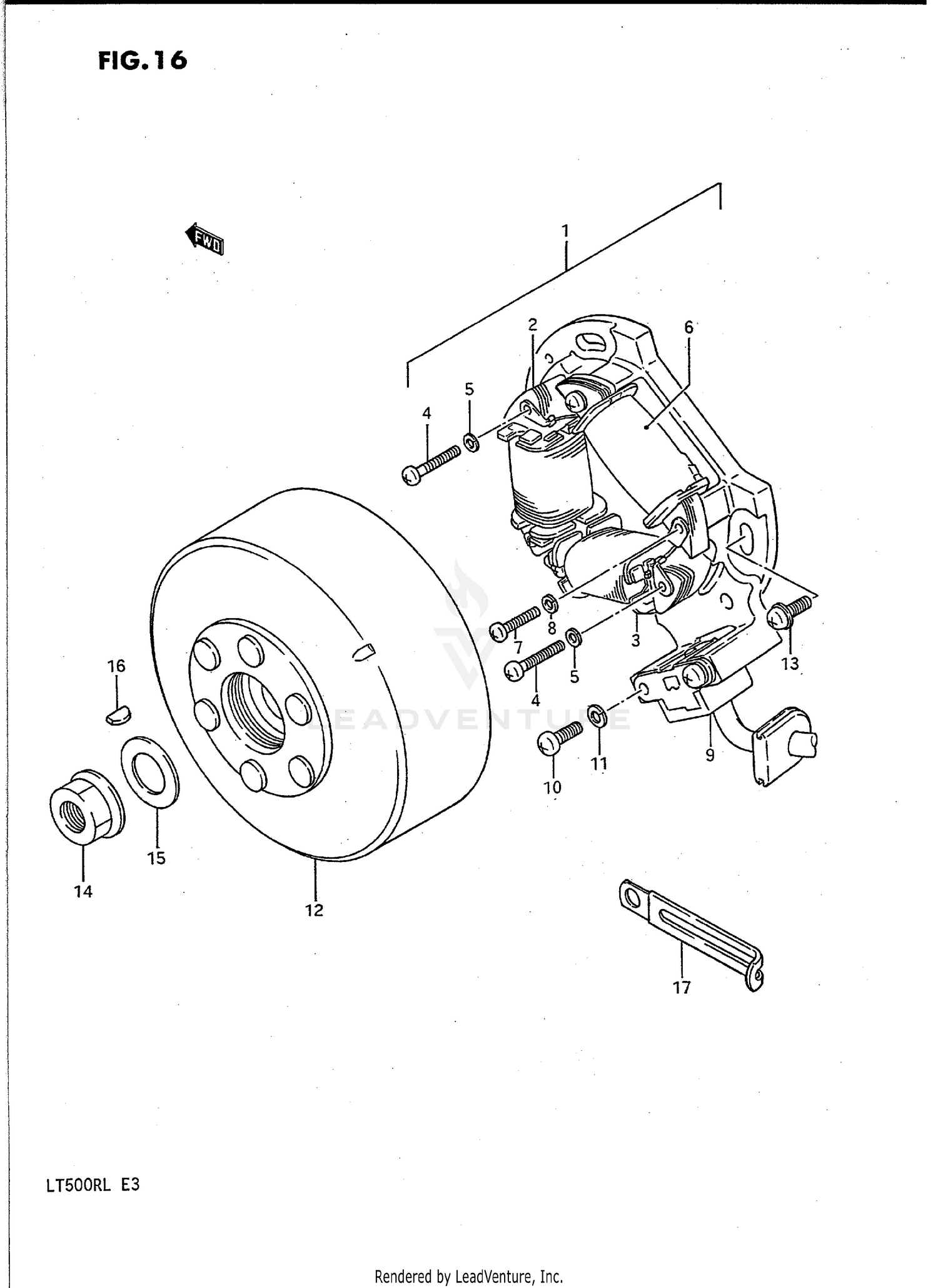
1987 Suzuki LT500R QUADRACER MAGNETO

Set this as my ride
MAGNETO

WARNING Cancer and Reproductive Harm www.P65Warnings.ca.gov.

  • # Part Retail Our Price
    Stock Status Suggested Quantity
  • 1
    32101-43B00 stator assy Includes Item(s) 2 - 11
    This part is currently unavailable.
  • 2
    32120-19A00 coil, lighting (a)
    This part is currently unavailable.
  • 3
    32130-19A00 coil, lighting (b)
    This part is currently unavailable.
  • 4
    02112-0425B screw Supersedes: 02112-04253 (SCREW) Price: $3.28
    Expected to Ship in 4-9 Days
  • 5
    08321-0104A lock washer Supersedes: 08321-01043 (LOCK WASHER) Price: $2.59
    In Stock
  • 6
    32140-19A00 coil, primary
    This part is currently unavailable.
  • 7
    02112-0420A screw Supersedes: 02112-04203 (SCREW) Price: $1.82
    Expected to Ship in 4-9 Days
  • 8
    08321-0104A lock washer Supersedes: 08321-01043 (LOCK WASHER) Price: $2.59
    In Stock
  • 9
    32150-09D10 coil,pick up Supersedes: 32150-19A10 (COIL, PICK UP) Retail: $195.39 Price: $166.08
    Expected to Ship in 4-9 Days
  • 10
    02112-05127 screw Supersedes: 13602-33E00 (SCREW) Price: $2.73
    Expected to Ship in 4-9 Days
  • 11
    08321-0105A lock washer Supersedes: 08321-01053 (LOCK WASHER) Price: $2.55
    Expected to Ship in 4-9 Days
  • 12
    32102-43B01 rotor
    This part is currently unavailable.
  • 13
    02142-05127 screw Supersedes: 02142-05128 (SCREW) Price: $2.73
    Expected to Ship in 4-9 Days
  • 14
    08316-10127 nut Supersedes: 08316-16128 (NUT) Price: $3.52
    In Stock
  • 15
    08322-01127 washer Supersedes: 08322-21128 (WASHER) Price: $2.59
    Expected to Ship in 4-9 Days
  • 16
    08341-31039 key Price: $2.65
    In Stock
  • 17
    09404-06039 clamp Supersedes: 09404-06403 (CLAMP (L:55)) Price: $2.40
    In Stock
Added to your cart
CLOSE